Product Summary
The LT1375HVIS8#TR is a step-down switching regulator. Its applications include portable computers, battery-powered systems, battery charger, distributed power.
Parametrics
LT1375HVIS8#TR absolute maximum ratings: (1)input voltage: 25V; (2)BOOST pin voltage: 35V; (3)BIAS pin voltage: 7V; (4)FB pin current: 1mA; (5)storage temperature range: -65 to 150℃; (6)lead temperature: 300℃.
Features
LT1375HVIS8#TR features: (1)constant 500kHz switching frequency; (2)easily synchronizable; (3)uses all surface mount components; (4)inductor size reduced to 5μH; (5)saturating switch design: 0.4Ω; (6)effective supply current: 2.5mA.
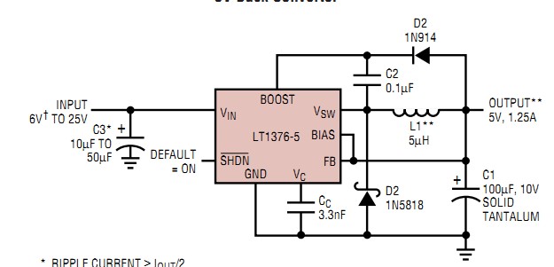
Diagrams

| Image | Part No | Mfg | Description | ![]() |
Pricing (USD) |
Quantity | ||||||
|---|---|---|---|---|---|---|---|---|---|---|---|---|
![]() |
![]() LT1375HVIS8#TR |
![]() |
![]() IC REG BUCK ADJ 1.5A 8SOIC |
![]() Data Sheet |
![]()
|
|
||||||
![]() |
![]() LT1375HVIS8#TRPBF |
![]() |
![]() IC REG BUCK ADJ 1.5A 8SOIC |
![]() Data Sheet |
![]()
|
|
||||||
(Hong Kong)









