Product Summary
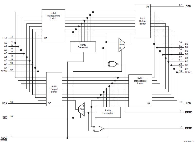
The 74ABT899A is a 9-bit to 9-bit parity transceiver with separate transparent latches for the A bus and B bus. Either bus can generate or check parity. The parity bit can be fed-through with no change or the generated parity can be substituted with the SEL input. Parity error checking of the A and B bus latches is continuously provided with ERRA and ERRB, even with both buses in 3-State. The 74ABT899A features independent latch enables for the A and B bus latches, a select pin for ODD/EVEN parity, and separate error signal output pins for checking parity.
Parametrics
74ABT899A absolute maximum ratings: (1)DC supply voltage, VCC: -0.5 to +7.0 V; (2)DC input diode current, VI < 0, IIK: -18 mA; (3)DC input voltage, VI: -1.2 to +7.0 V; (4)DC output diode current, VO < 0, IOK: -50 mA; (5)DC output voltage3 output in Off or High state, VOUT: -0.5 to +5.5 V; (6)DC output current output in Low state, IOUT: 128 mA; (7)Storage temperature range, Tstg: -65 to 150℃.
Features
74ABT899A features: (1)Symmetrical (A and B bus functions are identical); (2)Selectable generate parity or "feed-through" parity for A-to-B and B-to-A directions; (3)Independent transparent latches for A-to-B and B-to-A directions; (4)Selectable ODD/EVEN parity; (5)Continuously checks parity of both A bus and B bus latches as ERRA and ERRB; (6)Ability to simultaneously generate and check parity; (7)Can simultaneously read/latch A and B bus data; (8)Output capability: +64 mA/?2mA; (9)Latch-up protection exceeds 500mA per Jedec JC40.2 Std 17; (10)ESD protection exceeds 2000 V per MIL STD 883 Method 3015 and 200 V per Machine Model; (11)Power up 3-State; (12)Power-up reset; (13)Live insertion/extraction permitted.
Diagrams

| Image | Part No | Mfg | Description | ![]() |
Pricing (USD) |
Quantity | ||||||||||||
|---|---|---|---|---|---|---|---|---|---|---|---|---|---|---|---|---|---|---|
![]() |
![]() 74ABT899A |
![]() NXP Semiconductors |
![]() Bus Transceivers 9-BIT LATCH XCVR W/PARITY 3-S |
![]() Data Sheet |
![]() Negotiable |
|
||||||||||||
![]() |
![]() 74ABT899A,602 |
![]() NXP Semiconductors |
![]() Bus Transceivers 9-BIT LATCH XCVR |
![]() Data Sheet |
![]()
|
|
||||||||||||
![]() |
![]() 74ABT899A,623 |
![]() NXP Semiconductors |
![]() Bus Transceivers 9-BIT LATCH XCVR |
![]() Data Sheet |
![]()
|
|
||||||||||||
![]() |
![]() 74ABT899A-T |
![]() NXP Semiconductors |
![]() Bus Transceivers 9-BIT LATCH XCVR W/PARITY 3-S |
![]() Data Sheet |
![]() Negotiable |
|
||||||||||||
(Hong Kong)









