Product Summary
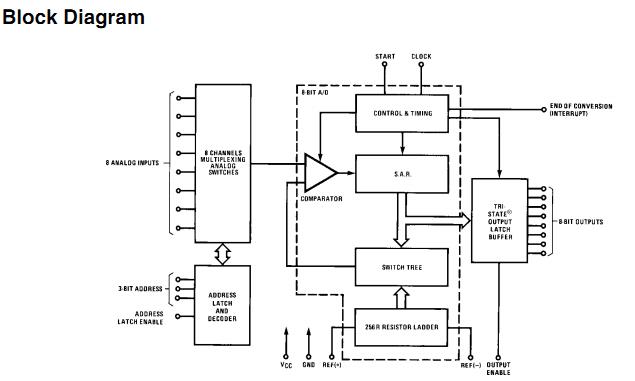
The ADC0808CCN is a monolithic CMOS device with an 8-bit analog-to-digital converter, 8-channel multiplexer and microprocessor compatible control logic. The 8-bit A/D converter ADC0808CCN uses successive approximation as the conversion technique. The ADC0808CCN converter features a high impedance chopper stabilized comparator, a 256R voltage divider with analog switch tree and a successive approximation register. The 8-channel multiplexer can directly access any of 8-single-ended analog signals.
Parametrics
ADC0808CCN absolute maximum ratings: (1)Supply Voltage (VCC): 6.5V; (2)Voltage at Any Pin: -0.3V to (VCC+0.3V); (3)Voltage at Control Inputs: -0.3V to +15V; (4)Storage Temperature Range: -65 to +150℃; (5)Package Dissipation at TA = 25℃: 875 mW; (6)Lead Temp. (Soldering, 10 seconds): 260℃; (7)ESD Susceptibility: 400V.
Features
ADC0808CCN features: (1)Easy interface to all microprocessors; (2)Operates ratiometrically or with 5 VDC or analog span adjusted voltage reference; (3)No zero or full-scale adjust required; (4)8-channel multiplexer with address logic; (5)0V to VCC input range; (6)Outputs meet TTL voltage level specifications; (7)ADC0808 equivalent to MM74C949; (8)ADC0809 equivalent to MM74C949-1.
Diagrams

| Image | Part No | Mfg | Description | ![]() |
Pricing (USD) |
Quantity | ||||||||||||
|---|---|---|---|---|---|---|---|---|---|---|---|---|---|---|---|---|---|---|
![]() |
![]() ADC0808CCN |
![]() National Semiconductor (TI) |
![]() ADC (A/D Converters) |
![]() Data Sheet |
![]()
|
|
||||||||||||
![]() |
![]() ADC0808CCN/NOPB |
![]() National Semiconductor (TI) |
![]() ADC (A/D Converters) |
![]() Data Sheet |
![]()
|
|
||||||||||||
(Hong Kong)










