Product Summary
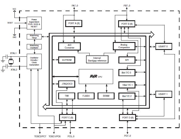
The ATMEGA644-20MU is a low-power CMOS 8-bit microcontroller based on the AVR enhanced RISC architecture. By executing powerful instructions in a single clock cycle, the ATMEGA644-20MU achieves throughputs approaching 1 MIPS per MHz allowing the system designer to optimize power consumption versus processing speed.
Parametrics
ATMEGA644-20MU absolute maximum ratings: (1)Operating Temperature: -55℃ to +125℃; (2)Storage Temperature: -65℃ to +150℃; (3)Voltage on any Pin except RESET; (4)with respect to Ground: -0.5V to VCC+0.5V; (5)Voltage on RESET with respect to Ground: -0.5V to +13.0V; (6)Maximum Operating Voltage: 6.0V; (7)DC Current per I/O Pin: 40.0 mA; (8)DC Current VCC and GND Pins: 200.0 mA.
Features
ATMEGA644-20MU features: (1)High-performance, Low-power AVR?8-bit Microcontroller; (2)131 Powerful Instructions - Most Single-clock Cycle Execution; (3)32 x 8 General Purpose Working Registers; (4)Fully Static Operation; (5)Up to 20 MIPS Throughput at 20 MHz; (6)On-chip 2-cycle Multiplier; (7)Nonvolatile Program and Data Memories; (8)JTAG (IEEE std. 1149.1 Compliant) Interface, Boundary-scan Capabilities According to the JTAG Standard; Extensive On-chip Debug Support; Programming of Flash, EEPROM, Fuses, and Lock Bits through the JTAG Interface; (9)Two 8-bit Timer/Counters with Separate Prescalers and Compare Modes; (10)One 16-bit Timer/Counter with Separate Prescaler, Compare Mode, and Capture Mode; (11)Real Time Counter with Separate Oscillator; (12)Six PWM Channels; (13)8-channel, 10-bit ADC Differential mode with selectable gain at 1x, 10x or 200x; (14)Byte-oriented Two-wire Serial Interface; (15)Two Programmable Serial USART; (16)Master/Slave SPI Serial Interface; (17)Programmable Watchdog Timer with Separate On-chip Oscillator; (18)On-chip Analog Comparator; (19)Interrupt and Wake-up on Pin Change; (20)Special Microcontroller Features; (21)Power-on Reset and Programmable Brown-out Detection; (22)Internal Calibrated RC Oscillator; (23)External and Internal Interrupt Sources; (24)Six Sleep Modes: Idle, ADC Noise Reduction, Power-save, Power-down, Standby and Extended Standby; (25)I/O and Packages, 32 Programmable I/O Lines; 40-pin PDIP, 44-lead TQFP, and 44-pad QFN/MLF; (26)Operating Voltages, 1.8 - 5.5V for ATmega164P/324P/644PV; (27)Speed Grades: 0 - 4MHz @ 1.8 - 5.5V, 0 - 10MHz @ 2.7 - 5.5V; (28)?Power Consumption at 1 MHz, 1.8V, 25℃ for ATmega164P/324P/644P, Active: 338/398/TBD; Power-down Mode:0.035 /0.027/TBDμA; Power-save Mode:0.5 /0.5/TBDμs (Including 32 kHz RTC).
Diagrams

| Image | Part No | Mfg | Description | ![]() |
Pricing (USD) |
Quantity | ||||||||||||
|---|---|---|---|---|---|---|---|---|---|---|---|---|---|---|---|---|---|---|
![]() |
![]() ATmega644-20MU |
![]() Atmel |
![]() 8-bit Microcontrollers (MCU) AVR 64K FLSH 4K SRAM 2KB EE - 20MHZ 5V |
![]() Data Sheet |
![]()
|
|
||||||||||||
![]() |
![]() ATMEGA644-20MUR |
![]() Atmel |
![]() 8-bit Microcontrollers (MCU) AVR 64K FLSH 4K SRAM 2KB EE-20MHZ 5V IND |
![]() Data Sheet |
![]()
|
|
||||||||||||
(Hong Kong)










