Product Summary
The LH5164A-10L is a static RAM organized as 8, 192 × 8 bit with provides low-power standby mode. The LH5164A-10L is fabricated using si 1icon-gate CMOS process technology.
Parametrics
LH5164A-10L absolute maximum ratings: (1)Supply voltage, Vcc: -0.3 to +7.0V; (2)Input voltage, VlN:-0.3 to Vcc +0.3V; (3)Operating temperature, Topr: -10 to +70℃; (4)Storage temperature, Tstg: -65 to +150℃.
Features
LH5164A-10L features: (1)Access Time: 100ns ; (2)Operating current: 45mA; (3)Standby current: 1.0μA; (4)Data retention current: 0.2μA; (5)Single power supply: 5V ±10%; (6)Operating temperature: -10℃ to +70℃; (7)Fully static operation; (8)Three-state output; (9)Not designed or rated as radiation hardened; (10)28 pin DIP (DIP28 - P - 600) plastic package; (11)P-type bulk silicon.
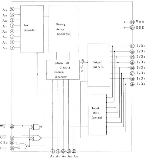
Diagrams

| Image | Part No | Mfg | Description | ![]() |
Pricing (USD) |
Quantity | ||||
|---|---|---|---|---|---|---|---|---|---|---|
![]() |
![]() LH5164A-10L |
![]() |
![]() IC SRAM 64KBIT 100NS 28DIP |
![]() Data Sheet |
![]() Negotiable |
|
||||
![]() |
![]() LH5164A-10LF |
![]() |
![]() IC SRAM 64KBIT 100NS 28DIP |
![]() Data Sheet |
![]() Negotiable |
|
||||
(Hong Kong)









