Product Summary
The LM124AJ is a low power quad operational amplifier. The LM124AJ was designed specifically to operate from a single power supply over a wide range of voltages. Operation from split power supplies is also possible and the low power supply current drain is independent of the magnitude of the power supply voltage. Application areas include transducer amplifiers, DC gain blocks and all the conventional op amp circuits which now can be more easily implemented in single power supply systems. For example, the LM124AJ can be directly operated off of the standard +5Vdc power supply voltage which is used in digital systems and will easily provide the required interface electronics without requiring the additional +15Vdc power supplies.
Parametrics
LM124AJ absolute maximum ratings: (1)Supply Voltage, V+: 32Vdc or +16Vdc; (2)Differential Input Voltage: 32Vdc; (3)Input Voltage: -0.3Vdc to +32Vdc; (4)Input Current (VIN < .0.3Vdc): 50 mA; (5)Power Dissipation, CERDIP: 1260mW; CERPACK: 700mW; LCC: 1350mW; CERAMIC SOIC: 700mW; (6)Output Short-Circuit to GND (One Amplifier) V+ ≤ 15Vdc and TA = 25℃: Continuous; (7)Operating Temperature Range: -55℃ ≤ TA ≤ +125℃; (8)Maximum Junction Temperature: 150℃; (9)Storage Temperature Range: -65℃ ≤ TA ≤ +150℃; (10)Lead Temperature (Soldering, 10 seconds): 260℃.
Features
LM124AJ features: (1)Internally frequency compensated for unity gain; (2)Large DC voltage gain 100 dB; (3)Wide bandwidth (unity gain) 1 MHz (temperature compensated); (4)Wide power supply range: Single supply 3V to 32V or dual supplies ±1.5V to ±16V; (5)Very low supply current drain (700 μA)-essentially independent of supply voltage; (6)Low input biasing current 45 nA (temperature compensated); (7)Low input offset voltage 2 mV and offset current: 5 nA; (8)Input common-mode voltage range includes ground; (9)Differential input voltage range equal to the power supply voltage; (10)Large output voltage swing 0V to V+ - 1.5V.
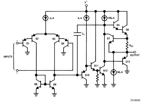
Diagrams

| Image | Part No | Mfg | Description | ![]() |
Pricing (USD) |
Quantity | ||||||||||||
|---|---|---|---|---|---|---|---|---|---|---|---|---|---|---|---|---|---|---|
![]() |
![]() LM124AJ |
![]() National Semiconductor (TI) |
![]() Operational Amplifiers - Op Amps |
![]() Data Sheet |
![]() Negotiable |
|
||||||||||||
![]() |
![]() LM124AJ/PB |
![]() National Semiconductor (TI) |
![]() Operational Amplifiers - Op Amps QUAD OP AMP |
![]() Data Sheet |
![]()
|
|
||||||||||||
![]() |
![]() LM124AJRLQMLV |
![]() National Semiconductor (TI) |
![]() Operational Amplifiers - Op Amps |
![]() Data Sheet |
![]()
|
|
||||||||||||
![]() |
![]() LM124AJRQMLV |
![]() National Semiconductor (TI) |
![]() Operational Amplifiers - Op Amps |
![]() Data Sheet |
![]()
|
|
||||||||||||
(Hong Kong)










