Product Summary
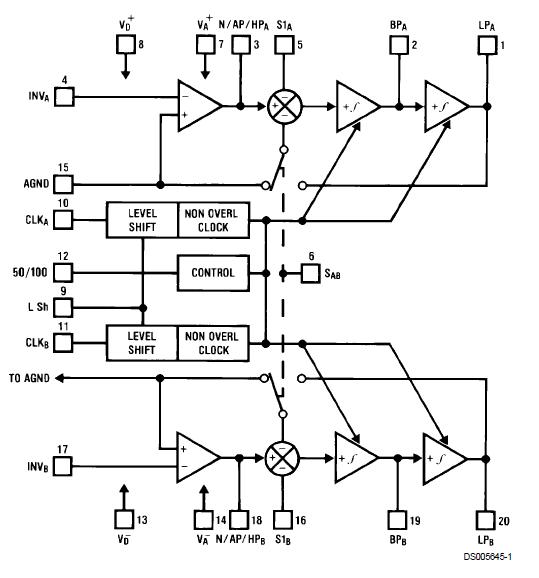
The LMF100CCN is an independent general purpose high performance dual switched capacitor filter. With an external clock and 2 to 4 resistors, various second-order and first-order filtering functions can be realized by each filter block. Each block has 3 outputs. One output can be configured to perform either an allpass, highpass, or notch function. The other two outputs perform bandpass and lowpass functions. The center frequency of the LMF100CCN stage is tuned by using an external clock or a combination of a clock and resistor ratio. Up to a 4th-order biquadratic function can be realized with a single LMF100CCN. Higher order filters are implemented by simply cascading additional packages, and all the classical filters (such as Butterworth, Bessel, Elliptic, and Chebyshev) can be realized.
Parametrics
LMF100CCN absolute maximum ratings: (1)Supply Voltage (V+ - V-): 16V; (2)Voltage at Any Pin: V+ + 0.3V; V- - 0.3V; (3)Input Current at Any Pin: 5 mA; (4)Package Input Current: 20 mA; (5)Power Dissipation: 500 mW; (6)Storage Temperature: 150℃; (7)ESD Susceptability: 2000V; (8)Soldering Information, N Package: 10 sec: 260℃; J Package: 10 sec: 300℃; (9)SO Package: Vapor Phase (60 sec.): 215℃; Infrared (15 sec.): 220℃.
Features
LMF100CCN fetures: (1)Wide 4V to 15V power supply range; (2)Operation up to 100 kHz; (3)Low offset voltage: typically (50:1 or 100:1 mode): Vos1 = ±5 mV; Vos2 = ±15 mV; Vos3 = ±15 mV; (4)Low crosstalk .60 dB; (5)Clock to center frequency ratio accuracy ±0.2% typical; (6)f0 x Q range up to 1.8 MHz; (7)Pin-compatible with MF10.
Diagrams

| Image | Part No | Mfg | Description | ![]() |
Pricing (USD) |
Quantity | ||||||||||||
|---|---|---|---|---|---|---|---|---|---|---|---|---|---|---|---|---|---|---|
![]() |
![]() LMF100CCN/NOPB |
![]() |
![]() IC FILTER DUAL SWITCH CAP 20-DIP |
![]() Data Sheet |
![]() Negotiable |
|
||||||||||||
| Image | Part No | Mfg | Description | ![]() |
Pricing (USD) |
Quantity | ||||||||||||
![]() |
![]() LMF100CCN/NOPB |
![]() |
![]() IC FILTER DUAL SWITCH CAP 20-DIP |
![]() Data Sheet |
![]() Negotiable |
|
||||||||||||
![]() |
![]() LMF100CIWMX/NOPB |
![]() National Semiconductor (TI) |
![]() Active Filters |
![]() Data Sheet |
![]()
|
|
||||||||||||
![]() |
![]() LMF100CIWMX |
![]() National Semiconductor (TI) |
![]() Active Filters |
![]() Data Sheet |
![]()
|
|
||||||||||||
![]() |
![]() LMF100CIWM/NOPB |
![]() National Semiconductor (TI) |
![]() Active Filters HI PERF DUAL SWITCH CAPACITOR FILTER |
![]() Data Sheet |
![]()
|
|
||||||||||||
![]() |
![]() LMF100CIWM |
![]() National Semiconductor (TI) |
![]() Active Filters |
![]() Data Sheet |
![]()
|
|
||||||||||||
![]() |
![]() LMF100 |
![]() Other |
![]() |
![]() Data Sheet |
![]() Negotiable |
|
||||||||||||
(Hong Kong)











