Product Summary
The LT1358CS8#TR is an Op Amps. The LT1358CS8#TR is dual and quad low power high speed operational amplifiers with outstanding AC and DC performance. The LT1358CS8#TR feature much lower supply current and higher slew rate than devices with comparable bandwidth. The circuit topology is a voltage feedback amplifier with matched high impedance inputs and the slewing performance of a current feedback amplifier. The high slew rate and single stage design provide excellent settling characteristics which make the circuit an ideal choice for data acquisition systems. Each output drives a 500W load to ±12.5V with ±15V supplies and a 150W load to ±3V on ±5V supplies. The amplifiers are stable with any capacitive load making them useful in buffer applications. The applications of the LT1358CS8#TR include Wideband Amplifiers, Buffers, Active Filters, Data Acquisition Systems and Photodiode Amplifiers.
Parametrics
LT1358CS8#TR absolute maximum ratings : (1)Total Supply Voltage (V+ to V–) : 36V; (2)Differential Input Voltage (Transient Only) (Note 2): ±10V; (3)Input Voltage: ±VS; (4)Output Short-Circuit Duration (Note 3): Indefinite; (5)Operating Temperature Range (Note 7): –40℃ to 85℃; (6)Specified Temperature Range (Note 8): –40℃ to 85℃; (7)Maximum Junction Temperature (See Below) Plastic Package: 150℃; (8)Storage Temperature Range: –65℃ to 150℃; (9)Lead Temperature (Soldering, 10 sec): 300℃.
Features
LT1358CS8#TR features: (1)25MHz Gain Bandwidth; (2)600V/μs Slew Rate; (3)2.5mA Maximum Supply Current per Amplifier; (4)Unity-Gain Stable; (5)600μV Maximum Input Offset Voltage; (6)500nA Maximum Input Bias Current; (7)120nA Maximum Input Offset Current; (8)20V/mV Minimum DC Gain, RL=1k; (9)115ns Settling Time to 0.1%, 10V Step; (10)220ns Settling Time to 0.01%, 10V Step; (11)±12.5V Minimum Output Swing into 500Ω; (12)±3V Minimum Output Swing into 150Ω; (13)Specified at ±2.5V, ±5V, and ±15V.
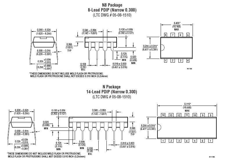
Diagrams

| Image | Part No | Mfg | Description | ![]() |
Pricing (USD) |
Quantity | ||||||
|---|---|---|---|---|---|---|---|---|---|---|---|---|
![]() |
![]() LT1358CS8#TR |
![]() |
![]() IC OPAMP DUAL 25MHZ HS LP 8SOIC |
![]() Data Sheet |
![]()
|
|
||||||
![]() |
![]() LT1358CS8#TRPBF |
![]() |
![]() IC OP-AMP HISPD 25MHZ DUAL 8SOIC |
![]() Data Sheet |
![]()
|
|
||||||
(Hong Kong)









