Product Summary
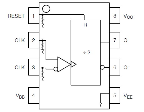
The MC100EP32DR2 is an integrated divider with differential CLK inputs. The MC100EP32DR2, an internally generated voltage supply, is available to this device only. For single−ended input conditions, the unused differential input is connected to VBB as a switching reference voltage. VBB may also rebias AC coupled inputs. When used, decouple VBB and VCC via a 0.01 F capacitor and limit current sourcing or sinking to 0.5 mA. When not used, VBB should be left open.
Parametrics
MC100EP32DR2 absolute maximum ratings: (1)VCC PECL Mode Power Supply VEE = 0 V: 8 V; (2)VEE NECL Mode Power Supply VCC = 0 V: -8 V; (3)VI PECL Mode Input Voltage: 6V; (4)NECL Mode Input Voltage: -6V; (5)Iout Output Current Continuous: 100mA; (6)TA Operating Temperature Range: -40 to +85 °C; (7)Tstg Storage Temperature Range: -65 to +150 °C.
Features
MC100EP32DR2 features: (1)350 ps Typical Propagation Delay; (2)Maximum Frequency > 4 GHz Typical (Figure 3); (3)PECL Mode Operating Range: VCC = 3.0 V to 5.5 V with VEE = 0 V; (4)NECL Mode Operating Range: VCC = 0 V with VEE = -3.0 V to −5.5 V; (5)Open Input Default State; (6)Safety Clamp on Inputs; (7)Q Output Will Default LOW with Inputs Open or at VEE; (8)Pb-Free Packages are Available.
Diagrams

| Image | Part No | Mfg | Description | ![]() |
Pricing (USD) |
Quantity | ||||||||||
|---|---|---|---|---|---|---|---|---|---|---|---|---|---|---|---|---|
![]() |
![]() MC100EP32DR2 |
![]() ON Semiconductor |
![]() Multipliers / Dividers 3.3V/5V ECL Divide |
![]() Data Sheet |
![]() Negotiable |
|
||||||||||
![]() |
![]() MC100EP32DR2G |
![]() ON Semiconductor |
![]() Multipliers / Dividers 3.3V/5V ECL Divide By 2 Divider |
![]() Data Sheet |
![]()
|
|
||||||||||
(Hong Kong)









