Product Summary
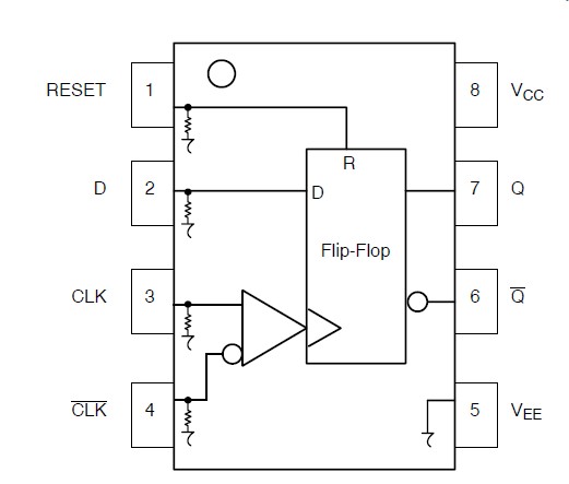
The MC100EP51DR2 is a differential clock D flip-flop with reset. The MC100EP51DR2 is functionally equivalent to the EL51 and LVEL51 devices. The reset input is an asynchronous, level triggered signal. Data enters the master portion of the flip−flop when the clock is LOW and is transferred to the slave, and thus the outputs, upon a positive transition of the clock. The differential clock inputs of the EP51 allow the MC100EP51DR2 to be used as a negative edge triggered flip-flop.
Parametrics
MC100EP51DR2 absolute maximum ratings: (1)VCC PECL Mode Power Supply VEE = 0 V: 6 V; (2)VEE NECL Mode Power Supply VCC = 0 V: -6 V; (3)VI PECL Mode Input Voltage: 6V; (4)NECL Mode Input Voltage: -6V; (5)Iout Output Current Continuous: 100mA; (6)TA Operating Temperature Range: -40 to +85 °C; (7)Tstg Storage Temperature Range: -65 to +150 °C.
Features
MC100EP51DR2 features: (1)350 ps Typical Propagation Delay; (2)Maximum Frequency > 3 GHz Typical; (3)PECL Mode Operating Range: VCC = 3.0 V to 5.5 V with VEE = 0 V; (4)NECL Mode Operating Range: VCC = 0 V with VEE = -3.0 V to -5.5 V; (5)Open Input Default State; (6)Safety Clamp on Inputs; (7)Pb-Free Packages are Available.
Diagrams

| Image | Part No | Mfg | Description | ![]() |
Pricing (USD) |
Quantity | ||||||||||
|---|---|---|---|---|---|---|---|---|---|---|---|---|---|---|---|---|
![]() |
![]() MC100EP51DR2 |
![]() ON Semiconductor |
![]() Flip Flops 3.3V/5V ECL D-Type |
![]() Data Sheet |
![]() Negotiable |
|
||||||||||
![]() |
![]() MC100EP51DR2G |
![]() ON Semiconductor |
![]() Flip Flops 3.3V/5V ECL D-Type w/Reset and Diff Clk |
![]() Data Sheet |
![]()
|
|
||||||||||
(Hong Kong)









