Product Summary
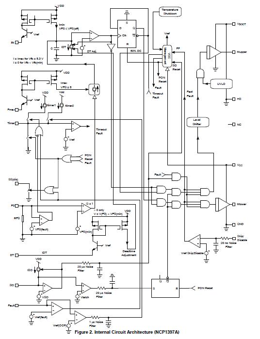
The NCP1397ADR2G is a high performance controller that can be utilized in half bridge resonant topologies such as series resonant, parallel resonant and LLC resonant converters. The NCP1397ADR2G integrates 600 V gate drivers, simplifying layout and reducing external component count. With its unique architecture, including a 500 kHz Voltage Controlled Oscillator whose control mode permits flexibility when an ORing function is required, the device everything needed to build a reliable and rugged resonant mode power supply. The NCP1397ADR2G provides a suite of protection features with configurable settings to optimize any application. The applications of the NCP1397ADR2G include Flat Panel Display Power Converters, High Power ac-dc Adapters for Notebooks, Computing Power Supplies, Industrial and Medical Power Sources, Offline Battery Chargers.
Parametrics
NCP1397ADR2G absolute maximum ratings: (1)High Voltage bridge pin, pin 14, VBRIDGE: -1 to 600 V; (2)Floating supply voltage, ground referenced, VBOOT - VBRIDGE: 0 to 20 V; (3)High side output voltage, VDRV(HI): VBRIDGE -0.3 to VBOOT+0.3 V; (4)Low side output voltage, VDRV(LO): -0.3 to VCC +0.3 V; (5)Allowable output slew rate, dVBRIDGE/dt: 50 V/ns; (6)Power Supply voltage, VCC: 20 V; (7)Maximum voltage, all pins: -0.3 to 10 V; (8)Thermal Resistance Junction-to-Air, PDIP version, RθJA: 100℃/W; (9)Thermal Resistance Junction-to-Air, SOIC version, RθJA: 130℃/W; (10)Storage Temperature Range: -60 to +150℃; (11)ESD Capability, Human Body Model (HBM):2 kV; (12)ESD Capability, Machine Model (MM): 200 V.
Features
NCP1397ADR2G features: (1)High-Frequency Operation from 50 kHz up to 500 kHz; (2)600 V High-Voltage Floating Driver; (3)Adjustable Minimum Switching Frequency with 3% Accuracy; (4)Adjustable Deadtime from 100 ns to 2 s.; (5)Startup Sequence Via an Externally Adjustable Soft-Start; (6)Brown-Out Protection for a Simpler PFC Association; (7)Latched Input for Severe Fault Conditions, e.g. Over Temperature or OVP; (8)Timer-Based Input with Auto-Recovery Operation for Delayed Event Reaction; (9)Latched Overcurrent Protection; (10)Disable Input for Immediate Event Reaction or Simple ON/OFF Control; (11)VCC Operation up to 20 V; (12)Low Startup Current of 300 A; (13)1 A / 0.5 A Peak Current Sink / Source Drive Capability; (14)Common Collector Optocoupler Connection for Easier ORing; (15)Optional Common Emitter Optocoupler Connection; (16)Internal Temperature Shutdown; (17)These Devices are Pb-Free, Halogen Free/BFR Free and are RoHS Compliant.
Diagrams

| Image | Part No | Mfg | Description | ![]() |
Pricing (USD) |
Quantity | ||||||||||||
|---|---|---|---|---|---|---|---|---|---|---|---|---|---|---|---|---|---|---|
![]() |
![]() NCP1397ADR2G |
![]() ON Semiconductor |
![]() Current Mode PWM Controllers NCP1397A |
![]() Data Sheet |
![]()
|
|
||||||||||||
| Image | Part No | Mfg | Description | ![]() |
Pricing (USD) |
Quantity | ||||||||||||
![]() |
![]() NCP100 |
![]() Other |
![]() |
![]() Data Sheet |
![]() Negotiable |
|
||||||||||||
![]() |
![]() NCP1000 |
![]() Other |
![]() |
![]() Data Sheet |
![]() Negotiable |
|
||||||||||||
![]() |
![]() NCP1000P |
![]() ON Semiconductor |
![]() Other Power Management 700V 500mA Switching |
![]() Data Sheet |
![]() Negotiable |
|
||||||||||||
![]() |
![]() NCP1000PG |
![]() ON Semiconductor |
![]() Other Power Management 700V 500mA Switching w/OVP and Zero Duty |
![]() Data Sheet |
![]() Negotiable |
|
||||||||||||
![]() |
![]() NCP1001 |
![]() Other |
![]() |
![]() Data Sheet |
![]() Negotiable |
|
||||||||||||
![]() |
![]() NCP1001P |
![]() ON Semiconductor |
![]() Other Power Management 700V 500mA Switching |
![]() Data Sheet |
![]() Negotiable |
|
||||||||||||
(Hong Kong)










