Product Summary
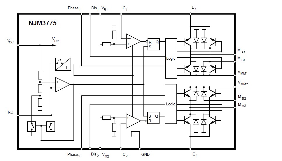
The NJM3775FM2 is a switch-mode (chopper), constantcurrent driver with two channels: one for each winding of a two-phase stepper motor. NJM3775FM2 is equipped with a Disable input to simplify half-stepping operation. The NJM3775FM2 contains a clock oscillator, which is common for both driver channels, a set of comparators and flip-flops implementing the switching control, and two output H-bridges, including recirculation diodes. Voltage supply requirements are + 5 V for logic and + 10 to + 45 V for the motor. Maximum output current is 750mA per channel.Each channel of the NJM3775FM2 consists of the following sections: an output H-bridge with four transistors and four recirculation diodes, capable of driving up to 750 mA continuous current to the motor winding, a logic section that controls the output transistors, an S-R flip-flop, and a com- parator. The clock-oscillator is common to both channels.
Parametrics
NJM3775FM2 absolute maximum ratings: (1)Logic supply 12 VCC: 0, 7 V; (2)Motor supply 4, 19 VMM: 0, 45 V; (3)Logic inputs 9, 10, 13, 14 VI: -0.3, 6 V; (4)Analog inputs 7, 8, 15, 16 VA: -0.3, VCC V; (5)Motor output current 1, 3, 20, 22 IM: -850, +850 mA; (6)Logic inputs 9, 10, 13, 14 II: -10mA; (7)Analog inputs 7, 8, 15, 16 IA: -10mA.
Features
NJM3775FM2 features: (1)Dual chopper driver; (2)750 mA continuous output current per channel; (3)Digital filter on chip eliminates external filtering components; (4)Packages DIP22 / PLCC28 / EMP24(batwing).
Diagrams

| Image | Part No | Mfg | Description | ![]() |
Pricing (USD) |
Quantity | ||||||||||||
|---|---|---|---|---|---|---|---|---|---|---|---|---|---|---|---|---|---|---|
![]() |
![]() NJM3775FM2 |
![]() NJR |
![]() Motor / Motion / Ignition Controllers & Drivers Dual Stepper |
![]() Data Sheet |
![]()
|
|
||||||||||||
![]() |
![]() NJM3775FM2-TE2 |
![]() NJR |
![]() Motor / Motion / Ignition Controllers & Drivers Dual Stepper |
![]() Data Sheet |
![]() Negotiable |
|
||||||||||||
![]() |
![]() NJM3775FM2-TE3 |
![]() NJR |
![]() Motor / Motion / Ignition Controllers & Drivers Dual Stepper Motor Driver |
![]() Data Sheet |
![]()
|
|
||||||||||||
(Hong Kong)








