Product Summary
The PIC16LF73-I/SO is an 8-Bit CMOS FLASH Microcontroller. The PIC16LF73-I/SO is available only in 28-pin package.
Parametrics
PIC16LF73-I/SO absolute maximum ratings: (1)Ambient temperature under bias: -55℃ to +125℃; (2)Storage temperature: -65℃ to +150℃; (3)Voltage on any pin with respect to VSS (except VDD, MCLR. and RA4): -0.3V to (VDD + 0.3V); (4)Voltage on VDD with respect to VSS: -0.3 to +6.5V; (5)Voltage on MCLR with respect to VSS: 0 to +13.5V; (6)Voltage on RA4 with respect to Vss: 0 to +12V; (7)Total power dissipation: 1.0W; (8)Maximum current out of VSS pin: 300 mA; (9)Maximum current into VDD pin: 250 mA; (10)Input clamp current, IIK (VI < 0 or VI > VDD): ± 20 mA; (11)Output clamp current, IOK (VO < 0 or VO > VDD): ± 20 mA; (12)Maximum output current sunk by any I/O pin: 25 mA; (13)Maximum output current sourced by any I/O pin: 25 mA; (14)Maximum current sunk by PORTA, PORTB, and PORTE (combined): 200 mA; (15)Maximum current sourced by PORTA, PORTB, and PORTE (combined): 200 mA; (16)Maximum current sunk by PORTC and PORTD (combined): 200 mA; (17)Maximum current sourced by PORTC and PORTD (combined): 200 mA.
Features
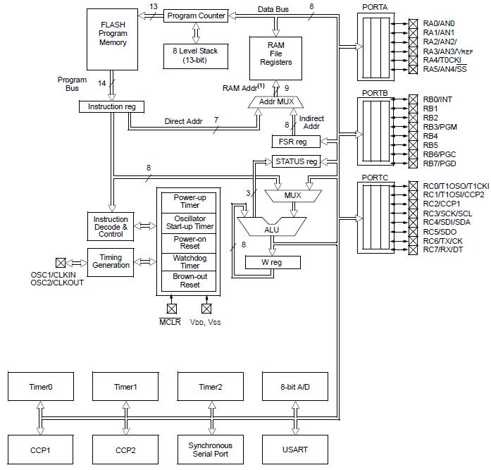
PIC16LF73-I/SO features: (1)High performance RISC CPU; (2)Only 35 single word instructions to learn; (3)All single cycle instructions except for program branches which are two-cycle; (4)Operating speed: DC - 20 MHz clock input DC - 200 ns instruction cycle; (5)Up to 8K × 14 words of FLASH Program Memory, Up to 368 × 8 bytes of Data Memory (RAM); (6)Pinout compatible to the PIC16C73B/74B/76/77; (7)Pinout compatible to the PIC16F873/874/876/877; (8)Interrupt capability (up to 12 sources); (9)Eight level deep hardware stack; (10)Direct, Indirect and Relative Addressing modes; (11)Processor read access to program memory.
Diagrams

| Image | Part No | Mfg | Description | ![]() |
Pricing (USD) |
Quantity | ||||||||||||
|---|---|---|---|---|---|---|---|---|---|---|---|---|---|---|---|---|---|---|
![]() |
![]() PIC16LF73-I/SO |
![]() Microchip Technology |
![]() 8-bit Microcontrollers (MCU) 7KB 192 RAM 22 I/O |
![]() Data Sheet |
![]()
|
|
||||||||||||
![]() |
![]() PIC16LF73-I/SOG |
![]() Microchip Technology |
![]() 8-bit Microcontrollers (MCU) 7KB 192 RAM 22 I/O Lead Free Package |
![]() Data Sheet |
![]() Negotiable |
|
||||||||||||
(Hong Kong)









