Product Summary
The SN75976A2DGGRG4 is an 9 channel differential transceiver. The A version offers improved switching performance, a smaller package, and higher ESD protection. The SN75976A2DGGRG4 is offered in two versions. The 976A2 skew limits of 4 ns for the differential drivers and 5 ns for the differential receivers complies with the recommended skew budget of the Fast-20 SCSI standard for data transfer rates up to 20 million transfers per second. The 976A1 supports the Fast SCSI skew budget for 10 million transfers per second.
Parametrics
SN75976A2DGGRG4 absolute maximum ratings: (1)Supply voltage range, VCC (see Note 1): -0.3 V to 6 V; (2)Bus voltage range: -10 V to 15 V; (3)Data I/O and control (A side)voltage range: -0.3 V to VCC +0.5 V; (4)Electrostatic discharge: B side and GND, Class 3, A: (see Note 2): 12 kV; (5)Continuous total power dissipation (see Note 3): internally limited; (6)Storage temperature range, Tstg: -65℃ to 150℃; (7)Lead temperature 1,6 mm (1/16 inch)from case for 10 seconds: 260℃.
Features
SN75976A2DGGRG4 features: (1)SN55976A Packaged in a 56-Pin Ceramic Flat Pack (WD); (2)Two Skew Limits Available; (3)ESD Protection on Bus Terminals Exceeds 12 kV; (4)Low Disabled Supply Current 8 mA Typ; (5)Thermal Shutdown Protection; (6)Positive- and Negative-Current Limiting; (7)Power-Up/Down Glitch Protection.
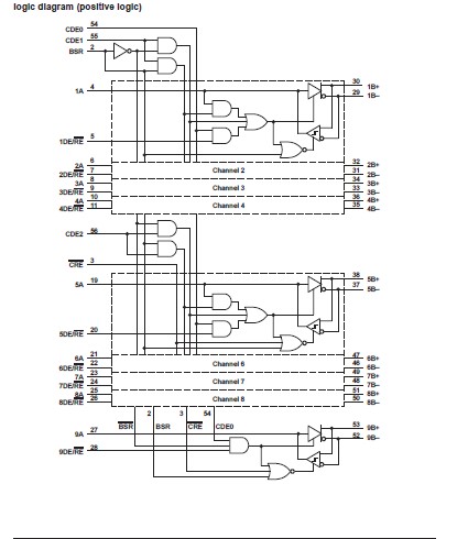
Diagrams

| Image | Part No | Mfg | Description | ![]() |
Pricing (USD) |
Quantity | ||||||||||||
|---|---|---|---|---|---|---|---|---|---|---|---|---|---|---|---|---|---|---|
![]() |
![]() SN75976A2DGGRG4 |
![]() Texas Instruments |
![]() Bus Transceivers 9-Channel Diff Transceiver |
![]() Data Sheet |
![]()
|
|
||||||||||||
| Image | Part No | Mfg | Description | ![]() |
Pricing (USD) |
Quantity | ||||||||||||
![]() |
![]() SN75061 |
![]() Other |
![]() |
![]() Data Sheet |
![]() Negotiable |
|
||||||||||||
![]() |
![]() SN75076B |
![]() Other |
![]() |
![]() Data Sheet |
![]() Negotiable |
|
||||||||||||
![]() |
![]() SN75107A |
![]() Other |
![]() |
![]() Data Sheet |
![]() Negotiable |
|
||||||||||||
![]() |
![]() SN75107AD |
![]() Texas Instruments |
![]() Bus Receivers Dual Line |
![]() Data Sheet |
![]()
|
|
||||||||||||
![]() |
![]() SN75107ADE4 |
![]() Texas Instruments |
![]() Buffers & Line Drivers DUAL LINE RECEIVER |
![]() Data Sheet |
![]()
|
|
||||||||||||
![]() |
![]() SN75107ADG4 |
![]() Texas Instruments |
![]() Buffers & Line Drivers Dual Line Receiver |
![]() Data Sheet |
![]()
|
|
||||||||||||
(Hong Kong)










