Product Summary
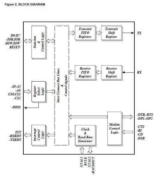
The ST16C550CJ is a universal asynchronous receiver and transmitter with 16 byte transmit and receive FIFO. A programmable baud rate generator is pro- vided to select transmit and receive clock rates from 50 bps to 1.5 Mbps. The ST16C550CJ is an improved version of the NS16C550 UART with higher operating speed and lower access time. The ST16C550CJ on board status registers provides the error conditions, type and status of the transfer operation being performed. Included is complete MODEM control capability, and a processor interrupt system that may be software tailored to the user’s requirements. The ST16C550CJ provides internal loop-back capability for on board diagnostic testing.
Parametrics
ST16C550CJ absolute maximum ratings: (1)Supply range: 7 Volts; (2)Voltage at any pin: GND - 0.3 V to VCC +0.3 V; (3)Operating temperature: -40℃ to +85℃; (4)Storage temperature: -65℃ to 150℃; (5)Package dissipation: 500 mW.
Features
ST16C550CJ features: (1)Pin to pin and functionally compatible to the Industry Standard 16C550; (2)2.97 to 5.5 volt operation; (3)24MHz clock operation at 5V; (4)16MHz clock operation at 3.3V; (5)16 byte transmit FIFO16 byte receive FIFO with error flags; (6)Full duplex operation; (7)Transmit and receive control; (8)Four selectable receive FIFO interrupt trigger levels; (9)Standard modem interface; (10)Compatible with ST16C450; (11)Low operating current ( 1.2mA typ.).
Diagrams

| Image | Part No | Mfg | Description | ![]() |
Pricing (USD) |
Quantity | ||||||||||||
|---|---|---|---|---|---|---|---|---|---|---|---|---|---|---|---|---|---|---|
![]() |
![]() ST16C550CJ44-F |
![]() Exar |
![]() UART Interface IC 2.97V-5.5V 16B FIFO temp 0C to 70C; UART |
![]() Data Sheet |
![]()
|
|
||||||||||||
![]() |
![]() ST16C550CJ44TR-F |
![]() Exar |
![]() UART Interface IC SNGL UART W/16BYTE FIFO |
![]() Data Sheet |
![]()
|
|
||||||||||||
(Hong Kong)









