Product Summary
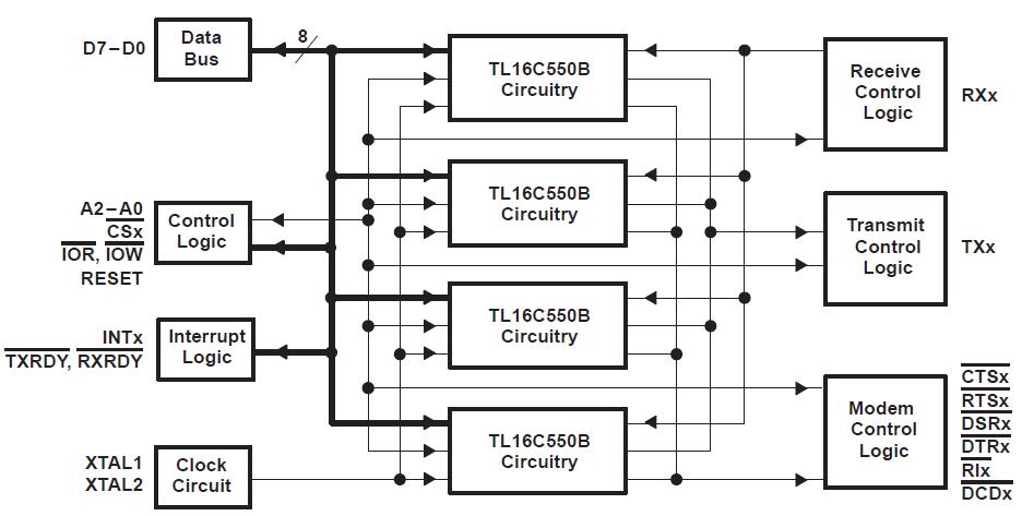
The TL16C554IFN is an asynchronous communications element (ACE). Each channel performs serial-to-parallel conversion on data characters received from peripheral devices or modems and parallel-to-serial conversion on data characters transmitted by the CPU. The complete status of the TL16C554IFN can be read at any time during functional operation by the CPU. The information obtained includes the type and condition of the operation performed and any error conditions encountered. The TL16C554IFN quadruple ACE can be placed in an alternate FIFO mode, which activates the internal FIFOs to allow 16 bytes (plus three bits of error data per byte in the receiver FIFO) to be stored in both receive and transmit modes.
Parametrics
TL16C554IFN absolute maximum ratings: (1)Supply voltage range, VCC: -0.5 V to 7 V; (2)Input voltage range at any input, VI: -0.5 V to 7 V; (3)Output voltage range, VO: -0.5 V to VCC + 3 V; (4)Continuous total power dissipation at (or below) 70℃: 500 mW; (5)Operating free-air temperature range, TA: -40℃ to 85℃; (6)Storage temperature range, Tstg: -65℃ to 150℃.
Features
TL16C554IFN features: (1)Integrated Asynchronous Communications Element; (2)Consists of Four Improved TL16C550 ACEs Plus Steering Logic; (3)In FIFO Mode, Each ACE Transmitter and Receiver Is Buffered With 16-Byte FIFO to Reduce the Number of Interrupts to CPU; (4)In TL16C450 Mode, Hold and Shift Registers Eliminate Need for Precise Synchronization Between the CPU and Serial Data; (5)Up to 16-MHz Clock Rate for up to 1-Mbaud Operation; (6)Programmable Baud Rate Generators Which Allow Division of Any Input Reference Clock by 1 to (216–1) and Generate an Internal 16 × Clock; (7)Adds or Deletes Standard Asynchronous Communication Bits (Start, Stop, and Parity) to or From the Serial Data Stream; (8)Independently Controlled Transmit, Receive, Line Status, and Data Set Interrupts; (9)Fully Programmable Serial Interface Characteristics: 5-, 6-, 7-, or 8-Bit Characters; Even-, Odd-, or No-Parity Bit; 1-, 1 1/2-, or 2-Stop Bit Generation; Baud Generation (DC to 1-Mbit Per; (10)Second); (11)False Start Bit Detection; (12)Complete Status Reporting Capabilities; (13)Line Break Generation and Detection; (14)Internal Diagnostic Capabilities: Loopback Controls for Communications Link Fault Isolation; Break, Parity, Overrun, Framing Error Simulation; (15)Fully Prioritized Interrupt System Controls; (16)Modem Control Functions (CTS, RTS, DSR, DTR, RI, and DCD); (17)3-State Outputs Provide TTL Drive Capabilities for Bidirectional Data Bus and Control Bus.
Diagrams

| Image | Part No | Mfg | Description | ![]() |
Pricing (USD) |
Quantity | ||||||||||||
|---|---|---|---|---|---|---|---|---|---|---|---|---|---|---|---|---|---|---|
![]() |
![]() TL16C554IFN |
![]() Texas Instruments |
![]() UART Interface IC Quad UART with 16-Byte FIFOs |
![]() Data Sheet |
![]()
|
|
||||||||||||
![]() |
![]() TL16C554IFNG4 |
![]() Texas Instruments |
![]() UART Interface IC Quad UART w/16-Byte FIFOs |
![]() Data Sheet |
![]()
|
|
||||||||||||
![]() |
![]() TL16C554IFNR |
![]() Texas Instruments |
![]() UART Interface IC Quad UART with 16-Byte FIFOs |
![]() Data Sheet |
![]()
|
|
||||||||||||
![]() |
![]() TL16C554IFNRG4 |
![]() Texas Instruments |
![]() UART Interface IC Quad UART w/16-Byte FIFOs |
![]() Data Sheet |
![]()
|
|
||||||||||||
(Hong Kong)









