Product Summary
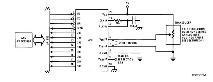
The ADC0804LCWM is a CMOS 8-bit successive approximation A/D converter that use a differential potentiometric ladder-similar to the 256R products. The converter is designed to allow operation with the NSC800 and INS8080A derivative control bus with TRI-STATE output latches directly driving the data bus. The ADC0804LCWM appears like memory locations or I/O ports to the microprocessor and no interfacing logic is needed. Differential analog voltage inputs allow increasing the common-mode rejection and offsetting the analog zero input voltage value. In addition, the voltage reference input can be adjusted to allow encoding any smaller analog voltage span to the full 8 bits of resolution.
Parametrics
SADC0804LCWM absolute maximum ratings: (1)Supply Voltage (VCC): 6.5V; (2)Voltage Logic Control Inputs: -0.3V to +18V; At Other Input and Outputs: -0.3V to (VCC+0.3V); (3)Lead Temp. (Soldering, 10 seconds), Dual-In-Line Package (plastic): 260℃; Dual-In-Line Package (ceramic): 300℃; Surface Mount Package, Vapor Phase (60 seconds): 215℃.
Features
ADC0804LCWM features: (1)Compatible with 8080 μP derivatives—no interfacing logic needed - access time - 135 ns; (2)Easy interface to all microprocessors, or operates “stand alone”; (3)Differential analog voltage inputs; (4)Logic inputs and outputs meet both MOS and TTL voltage level specifications; (5)Works with 2.5V (LM336) voltage reference; (6)On-chip clock generator; (7)0V to 5V analog input voltage range with single 5V supply; (8)No zero adjust required; (9)0.3" standard width 20-pin DIP package; (10)20-pin molded chip carrier or small outline package; (11)Operates ratiometrically or with 5 VDC, 2.5 VDC, or analog span adjusted voltage reference.
Diagrams

| Image | Part No | Mfg | Description | ![]() |
Pricing (USD) |
Quantity | ||||||||||||
|---|---|---|---|---|---|---|---|---|---|---|---|---|---|---|---|---|---|---|
![]() |
![]() ADC0804LCWM |
![]() National Semiconductor (TI) |
![]() ADC (A/D Converters) |
![]() Data Sheet |
![]()
|
|
||||||||||||
![]() |
![]() ADC0804LCWM/NOPB |
![]() National Semiconductor (TI) |
![]() ADC (A/D Converters) |
![]() Data Sheet |
![]()
|
|
||||||||||||
![]() |
![]() ADC0804LCWMX/NOPB |
![]() National Semiconductor (TI) |
![]() ADC (A/D Converters) |
![]() Data Sheet |
![]()
|
|
||||||||||||
![]() |
![]() ADC0804LCWMX |
![]() National Semiconductor (TI) |
![]() ADC (A/D Converters) |
![]() Data Sheet |
![]()
|
|
||||||||||||
(Hong Kong)









