Product Summary
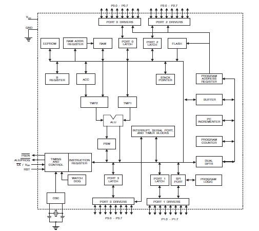
The AT89S8253-24AC is a low-power, high-performance CMOS 8-bit microcontroller with 12K bytes of In-System Programmable (ISP) Flash program memory and 2K bytes of EEPROM data memory. The AT89S8253-24AC is manufactured using Atmel’s high-density nonvolatile memory technology and is compatible with the industry-standard MCS-51 instruction set and pinout. The on-chip downloadable Flash allows the program memory to be reprogrammed in-system through an SPI serial interface or by a conventional nonvolatile memory programmer. By combining a versatile 8-bit CPU with downloadable Flash on a monolithic chip, the Atmel AT89S8253-24AC is a powerful microcontroller which provides a highly-flexible and cost-effective solution to many embedded control applications.
Parametrics
AT89S8253-24AC absolute maximum ratings: (1)Operating Temperature: -55℃ to +125℃; (2)Storage Temperature: -65℃ to +150℃; (3)Voltage on Any Pin with Respect to Ground: -1.0V to +7.0V; (4)Maximum Operating Voltage: 6.6V; (5)DC Output Current: 15.0 mA.
Features
AT89S8253-24AC features: (1)Compatible with MCS?1 Products; (2)12K Bytes of In-System Programmable (ISP) Flash Program Memory; (3)SPI Serial Interface for Program Downloading; (4)Endurance: 10,000 Write/Erase Cycles; (5)2K Bytes EEPROM Data Memory; (6)Endurance: 100,000 Write/Erase Cycles; (7)64-byte User Signature Array; (8)2.7V to 5.5V Operating Range; (9)Fully Static Operation: 0 Hz to 24 MHz (in x1 and x2 Modes); (10)Three-level Program Memory Lock; (11)256 x 8-bit Internal RAM; (12)32 Programmable I/O Lines; (13)Three 16-bit Timer/Counters; (14)Nine Interrupt Sources; (15)Enhanced UART Serial Port with Framing Error Detection and Automatic Address Recognition; (16)Enhanced SPI (Double Write/Read Buffered) Serial Interface; (17)Low-power Idle and Power-down Modes; (18)Interrupt Recovery from Power-down Mode; (19)Programmable Watchdog Timer; (20)Dual Data Pointer; (21)Power-off Flag; (22)Flexible ISP Programming (Byte and Page Modes), Page Mode: 64 Bytes/Page for Code Memory, 32 Bytes/Page for Data Memory; (23)Four-level Enhanced Interrupt Controller; (24)Programmable and Fuseable x2 Clock Option; (25)Internal Power-on Reset; (26)42-pin PDIP Package Option for Reduced EMC Emission; (27)Green (Pb/Halide-free) Packaging Option.
Diagrams

| Image | Part No | Mfg | Description | ![]() |
Pricing (USD) |
Quantity | ||||||
|---|---|---|---|---|---|---|---|---|---|---|---|---|
![]() |
![]() AT89S8253-24AC |
![]() Atmel |
![]() 8-bit Microcontrollers (MCU) Microcontroller |
![]() Data Sheet |
![]() Negotiable |
|
||||||
| Image | Part No | Mfg | Description | ![]() |
Pricing (USD) |
Quantity | ||||||
![]() |
![]() AT8934 |
![]() TE Connectivity |
![]() General Purpose / Industrial Relays SEALED R RELAY |
![]() Data Sheet |
![]()
|
|
||||||
![]() |
![]() AT8985P |
![]() Other |
![]() |
![]() Data Sheet |
![]() Negotiable |
|
||||||
![]() |
![]() AT8989UP |
![]() Other |
![]() |
![]() Data Sheet |
![]() Negotiable |
|
||||||
![]() |
![]() AT8992-A2-T-1 |
![]() |
![]() IC SWITCH PHY 64-TQFP |
![]() Data Sheet |
![]() Negotiable |
|
||||||
![]() |
![]() AT8992M-A2-T-1 |
![]() |
![]() IC SWITCH PHY 100-MQFP |
![]() Data Sheet |
![]() Negotiable |
|
||||||
![]() |
![]() AT8993-A2-T-1 |
![]() |
![]() IC SWITCH PHY 100-MQFP |
![]() Data Sheet |
![]() Negotiable |
|
||||||
(Hong Kong)










