Product Summary
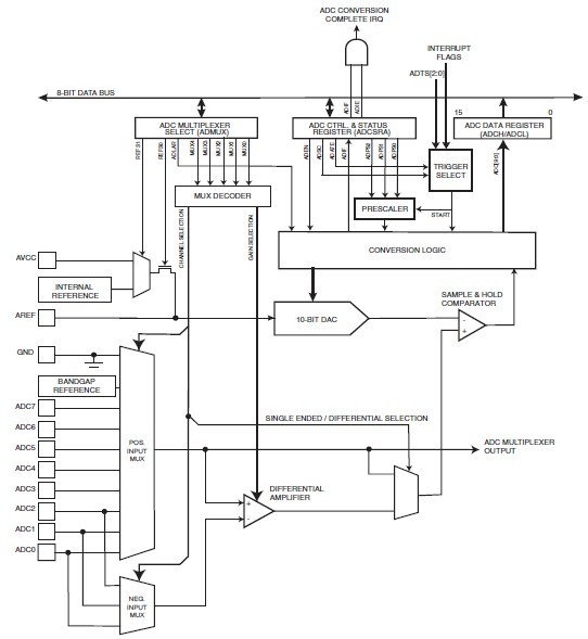
The ATMEGA645-16AU is a 10-bit successive approximation ADC. The ADC is connected to an 8-channel Analog Multiplexer which allows eight single-ended voltage inputs constructed from the pins of Port F. The single-ended voltage inputs refer to 0V (GND). The ATMEGA645-16AU contains a Sample and Hold circuit which ensures that the input voltage to the ADC is held at a constant level during conversion. A block diagram of the ADC is shown in Figure 83. The ATMEGA645-16AU has a separate analog supply voltage pin, AVCC. AVCC must not differ more than ± 0.3V from VCC. See the paragraph ADC Noise Canceler on page 199 on how to connect this pin.
Parametrics
ATMEGA645-16AU absolute maximum ratings: (1)Operating Temperature: -55℃ to +125℃; (2)Storage Temperature: -65℃ to +150℃; (3)Voltage on any Pin except RESET; (4)with respect to Ground: -0.5V to VCC+0.5V; (5)Voltage on RESET with respect to Ground: -0.5V to +13.0V; (6)Maximum Operating Voltage: 6.0V; (7)DC Current per I/O Pin: 40.0 mA; (8)DC Current VCC and GND Pins: 200.0 mA.
Features
ATMEGA645-16AU features: (1)10-bit Resolution; (2)0.5 LSB Integral Non-linearity; (3)2 LSB Absolute Accuracy; (4)13 μs - 260 μs Conversion Time (50 kHz to 1 MHz ADC clock); (5)Up to 15 kSPS at Maximum Resolution (200 kHz ADC clock); (6)Eight Multiplexed Single Ended Input Channels; (7)Optional Left Adjustment for ADC Result Readout; (8)0 - VCC ADC Input Voltage Range; (9)Selectable 1.1V ADC Reference Voltage; (10)Free Running or Single Conversion Mode; (11)ADC Start Conversion by Auto Triggering on Interrupt Sources; (12)Interrupt on ADC Conversion Complete; (13)Sleep Mode Noise Canceler.
Diagrams

| Image | Part No | Mfg | Description | ![]() |
Pricing (USD) |
Quantity | ||||||||||||
|---|---|---|---|---|---|---|---|---|---|---|---|---|---|---|---|---|---|---|
![]() |
![]() ATmega645-16AU |
![]() Atmel |
![]() 8-bit Microcontrollers (MCU) 64kB Flash 2kB EEPROM 54 I/O Pins |
![]() Data Sheet |
![]()
|
|
||||||||||||
![]() |
![]() ATMEGA645-16AUR |
![]() Atmel |
![]() 8-bit Microcontrollers (MCU) AVR 64KB FLSH 2KB EE 4KB SRAM-16MHz, 5V |
![]() Data Sheet |
![]()
|
|
||||||||||||
(Hong Kong)










