Product Summary
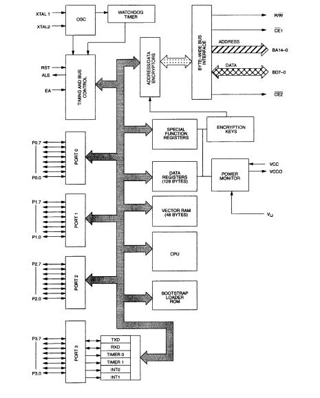
The DS5000FP-16 is a Soft Microprocessor Chip based on NV RAM technology. The DS5000FP-16 is substantially more flexible than a standard 8051, yet provides full compatibility with the 8051 instruction set, timers, serial port, and parallel I/O ports. By using NV RAM instead of ROM, the user can program and then reprogram the microcontroller while in-system. The DS5000FP-16 provides the benefits of NV RAM without using I/O resources. It uses a non-multiplexed Byte-wide address and data bus for memory access. The application software can even change its own operation, which allows frequent software upgrades, adaptive programs, customized systems, etc.
Parametrics
DS5000FP-16 absolute maximum ratings: (1)Voltage Range on Any Pin Relative to Ground:-0.3V to +7.0V; (2)Operating Temperature Range:0℃ to +70℃; (3)Storage Temperature Range:-40℃ to +70℃; (4)Soldering Temperature Range:260℃ for 10 seconds.
Features
DS5000FP-16 features: (1)8051-compatible microprocessor adapts to its task: Accesses between 8kB and 64kB of nonvolatile SRAM, In-system programming via on-chip serial port, Can modify its own program or data memory, Accesses memory on a separate Byte-wide bus; (2)Crashproof operation: Maintains all nonvolatile resources for over 10 years, Power-fail Reset, Early Warning Power-fail Interrupt, Watchdog Timer, User-supplied lithium battery backs user SRAM for program/data storage; (3)Software security: Executes encrypted programs to prevent observation, Security lock prevents download, Unlocking destroys contents; (4)Fully 8051-compatible: 128 bytes scratchpad RAM, Two timer/counters, On-chip serial port, 32 parallel I/O port pins.
Diagrams

| Image | Part No | Mfg | Description | ![]() |
Pricing (USD) |
Quantity | ||||||||||
|---|---|---|---|---|---|---|---|---|---|---|---|---|---|---|---|---|
![]() |
![]() DS5000FP-16 |
![]() Maxim Integrated Products |
![]() 8-bit Microcontrollers (MCU) Soft MCU Chip |
![]() Data Sheet |
![]()
|
|
||||||||||
![]() |
![]() DS5000FP-16+ |
![]() Maxim Integrated Products |
![]() 8-bit Microcontrollers (MCU) Soft MCU Chip |
![]() Data Sheet |
![]()
|
|
||||||||||
(Hong Kong)










