Product Summary
The LTC1625IS#TR is a synchronous step-down switching regulator controller that drives external N-Channel power MOSFETs using few external components. Current mode control with MOSFET VDS sensing eliminates the need for a sense resistor and improves efficiency. The frequency of a nominal 150kHz internal oscillator can be synchronized to an external clock over a 1.5:1 frequency range. The applications of the LTC1625IS#TR include Notebook and Palmtop Computers, PDAs, Cellular Telephones and Wireless Modems, Battery Chargers, Distributed Power.
Parametrics
LTC1625IS#TR absolute maximum ratings: (1)Input Supply Voltage (VIN, TK): 36V to -0.3V; (2)Boosted Supply Voltage (BOOST): 42V to -0.3V; (3)Boosted Driver Voltage (BOOST -SW): 7V to -0.3V; (4)Switch Voltage (SW): 36V to -5V; (5)EXTVCC Voltage: 7V to -0.3V; (6)ITH Voltage: 2.7V to -0.3V; (7)FCB, RUN/SS, SYNC Voltages: 7V to -0.3V; (8)VOSENSE, VPROG Voltages: (INTVCC + 0.3V) to -0.3V; (9)Peak Driver Output Current < 10ms (TG, BG): 2A; (10)INTVCC Output Current: 50mA; (11)Operating Ambient Temperature Range: 0℃ to 70℃; (12)Junction Temperature (Note 2): 125℃; (13)Storage Temperature Range: -65℃ to 150℃; (14)Lead Temperature (Soldering, 10 sec): 300℃.
Features
LTC1625IS#TR features: (1)Highest Efficiency Current Mode Controller; (2)No Sense Resistor Required; (3)Stable High Current Operation; (4)Dual N-Channel MOSFET Synchronous Drive; (5)Wide VIN Range: 3.7V to 36V; (6)Wide VOUT Range: 1.19V to VIN; (7)±1% 1.19V Reference; (8)Programmable Fixed Frequency with Injection Lock; (9)Very Low Drop Out Operation: 99% Duty Cycle; (10)Forced Continuous Mode Control Pin; (11)Optional Programmable Soft Start; (12)Pin Selectable Output Voltage; (13)Foldback Current Limit; (14)Output Overvoltage Protection; (15)Logic Controlled Micropower Shutdown: IQ < 30mA; (16)Available in 16-Lead Narrow SSOP and SO Packages.
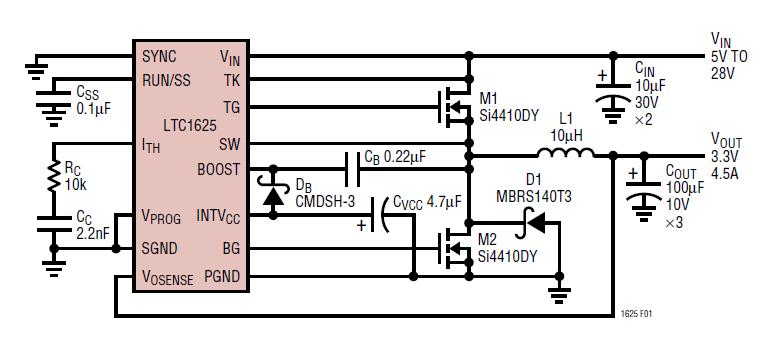
Diagrams

| Image | Part No | Mfg | Description | ![]() |
Pricing (USD) |
Quantity | ||||||
|---|---|---|---|---|---|---|---|---|---|---|---|---|
![]() |
![]() LTC1625IS#TR |
![]() |
![]() IC REG CTRLR BUCK PWM CM 16-SOIC |
![]() Data Sheet |
![]()
|
|
||||||
![]() |
![]() LTC1625IS#TRPBF |
![]() |
![]() IC REG CTRLR BUCK PWM CM 16-SOIC |
![]() Data Sheet |
![]()
|
|
||||||
(Hong Kong)









