Product Summary
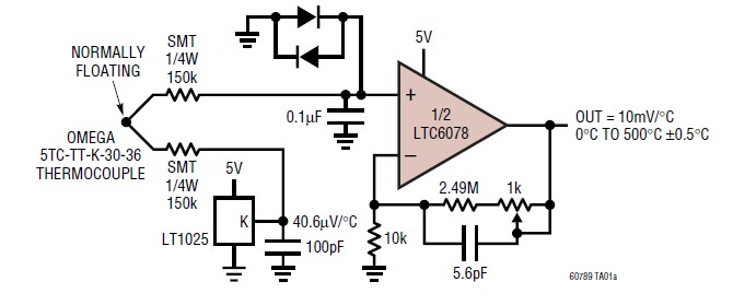
The LTC6078ACMS8#TR is a dual/quad, low offset, low noise operational amplifier with low power consumption and rail-to-rail input/output swing. Input offset voltage is trimmed to less than 25μV and the CMOS inputs draw less than 50pA of bias current. The low offset drift, excellent CMRR, and high voltage gain make it a good choice for precision signal conditioning. The applications of the LTC6078ACMS8#TR are (1)photodiode amplifier; (2)high impedance sensor amplifier; (3)microvolt accuracy threshold detection; (4)instrumentation amplifiers; (5)battery powered applications.
Parametrics
LTC6078ACMS8#TR absolute maximum ratings: (1)Total Supply Voltage (V+ to V–): 6V; (2)Input Voltage: V– to V+; (3)Output Short Circuit Duration: Indefi nite; (4)Operating Temperature Range: –40°C to 85°C; (5)Specifi ed Temperature Range: 0°C to 70°C; (6)Junction Temperature DFN Packages: 125°C, All Other Packages: 150°C; (7)Storage Temperature Range DFN Packages: –65°C to 125°C, All Other Packages: –65°C to 150°C; (8)Lead Temperature (Soldering, 10 Sec): 300°C.
Features
LTC6078ACMS8#TR features: (1)Maximum Offset Voltage of 25μV (25°C); (2)Maximum Offset Drift of 0.7μV/°C; (3)Maximum Input Bias: 1pA (25°C), 50pA (≤85°C); (4)Micropower: 54μA per Amp; (5)95dB CMRR (Min); (6)100dB PSRR (Min); (7)Input Noise Voltage Density: 16nV/√Hz; (8)Rail-to-Rail Inputs and Outputs; (9)2.7V to 5.5V Operation Voltage; (10)LTC6078 Available in 8-Lead MSOP and 10-Lead DFN Packages; LTC6079 Available in 16-Lead SSOP and DFN Packages.
Diagrams

| Image | Part No | Mfg | Description | ![]() |
Pricing (USD) |
Quantity | ||||||
|---|---|---|---|---|---|---|---|---|---|---|---|---|
![]() |
![]() LTC6078ACMS8#TR |
![]() |
![]() IC OP AMP DUAL R-R I/O 8MSOP |
![]() Data Sheet |
![]()
|
|
||||||
![]() |
![]() LTC6078ACMS8#TRPBF |
![]() |
![]() IC OP AMP DUAL R-R I/O 8MSOP |
![]() Data Sheet |
![]() Negotiable |
|
||||||
(Hong Kong)









