Product Summary
The TMS320F28016PZA is a 32 Bit, 60MHz digital signal processor.
Parametrics
TMS320F28016PZA absolute maximum ratings: (1)Vendor Texas: Instruments; (2)Category: Integrated Circuits (ICs) ; (3)Program Memory Size: 32KB (16K x 16); (4)RAM Size: 6K x 16; (5)Number of I /O: 35; (6)Package / Case: 100-LQFP; (7)Speed: 60MHz; (8)Oscillator Type: Internal; (9)Packaging: Tray; (10)Program Memory Type: FLASH; (11)Core Processor: C28x; (12)Data Converters A/D: 16x12b; (13)Core Size: 32-Bit ; (14)Operating Temperature: -40℃ ~ 85℃; (15)Connectivity: CAN, I²C, SCI, SPI, UART/USART; (16)Peripherals: POR, PWM, WDT; (17)Voltage Supply (Vcc/Vdd): 1.71 V ~ 1.89 V; (18)Lead Free Status: Lead Free; (19)RoHS Status: RoHS Compliant.
Features
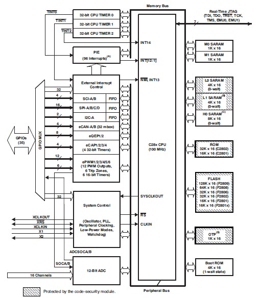
TMS320F28016PZA features: (1)High-Performance Static CMOS Technology; (2)JTAG Boundary Scan Support; (3)High-Performance 32-Bit CPU; (4)On-Chip Memory; (5)Clock and System Control; (6)Any GPIO A Pin Can Be Connected to One of the Three External Core Interrupts; (7)Peripheral Interrupt Expansion (PIE) Block That Supports All 43 Peripheral Interrupts.
Diagrams

| Image | Part No | Mfg | Description | ![]()  | 
                            Pricing (USD)  | 
                            Quantity | ||||||||||||
|---|---|---|---|---|---|---|---|---|---|---|---|---|---|---|---|---|---|---|
![]()  | 
                            ![]() TMS320F28016PZA  | 
                            ![]() Texas Instruments  | 
                            ![]() Digital Signal Processors & Controllers (DSP, DSC) 32-Bit DSC w/ 32KB Flash  | 
                            ![]() Data Sheet  | 
                            ![]() 
  | 
                            
                            	 | 
                      ||||||||||||
| Image | Part No | Mfg | Description | ![]()  | 
                            Pricing (USD)  | 
                            Quantity | ||||||||||||
![]()  | 
                            ![]() TMS3112  | 
                            ![]() Other  | 
                            ![]()  | 
                            ![]() Data Sheet  | 
                            ![]() Negotiable  | 
                            
                            	 | 
                      ||||||||||||
![]()  | 
                            ![]() TMS3121  | 
                            ![]() Other  | 
                            ![]()  | 
                            ![]() Data Sheet  | 
                            ![]() Negotiable  | 
                            
                            	 | 
                      ||||||||||||
![]()  | 
                            ![]() TMS320  | 
                            ![]() Other  | 
                            ![]()  | 
                            ![]() Data Sheet  | 
                            ![]() Negotiable  | 
                            
                            	 | 
                      ||||||||||||
![]()  | 
                            ![]() TMS32010  | 
                            ![]() Other  | 
                            ![]()  | 
                            ![]() Data Sheet  | 
                            ![]() Negotiable  | 
                            
                            	 | 
                      ||||||||||||
![]()  | 
                            ![]() TMS320AV7110  | 
                            ![]() Other  | 
                            ![]()  | 
                            ![]() Data Sheet  | 
                            ![]() Negotiable  | 
                            
                            	 | 
                      ||||||||||||
![]()  | 
                            ![]() TMS320BC51PQ100  | 
                            ![]() Texas Instruments  | 
                            ![]() Digital Signal Processors & Controllers (DSP, DSC) TMS320C51PQ - 132QFP - 100MHZ/BOOT CODE  | 
                            ![]() Data Sheet  | 
                            ![]() Negotiable  | 
                            
                            	 | 
                      ||||||||||||
 (Hong Kong) 
                         
                        
                                    








