Product Summary
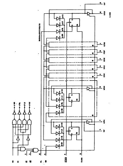
The M74HC299B1 is a high speed CMOS 8 bit pipo shift register (3-STATE) fabricated with silicon gate C2MOS technology. The M74HC299B1 has four modes (HOLD, SHIFT LEFT, SHIFT RIGHT and LOAD DATA). Each mode is chosen by two function select inputs (S0, S1). When one or both enable inputs, (G1, G2) are high, the eight input/output terminals are in the high impedance state; however sequential operation or clearing of the register is not affected. Clear function on the M74HC299B1 is asynchronous to CLOCK. All inputs are equipped with protection circuits against static discharge and transient excess voltage.
Parametrics
M74HC299B1 absolute maximum ratings: (1)VCC, Supply Voltage: -0.5 to +7 V; (2)VI, DC Input Voltage: -0.5 to VCC + 0.5 V; (3)VO, DC Output Voltage: -0.5 to VCC + 0.5 V; (4)IIK, DC Input Diode Current: ±20 mA; (5)IOK, DC Output Diode Current: ±20 mA; (6)IO, DC Output Source Sink Current Per Output Pin (QA-QH): ±35 mA; (7)IO, DC Output Source Sink Current Per Output Pin (QA’-QH’): ±235 mA; (8)ICC, or IGND DC VCC or Ground Current: ±70 mA; (9)PD, Power Dissipation: 500 mW; (10)Tstg, Storage Temperature: -65 to +150℃; (11)TL, Lead Temperature (10 sec): 300℃.
Features
M74HC299B1 features: (1)High speed: fMAX = 80MHz (TYP.) at VCC = 6V; (2)Low power dissipation: ICC = 4mA(MAX.) at TA = 25℃; (3)High noise immunity: VNIH = VNIL = 28 % VCC (MIN.); (4)Symmetrical output impedance: |IOH| = IOL = 6mA (MIN) FOR QA’ TO QH; |IOH| = IOL = 4mA (MIN) FOR QA TO QH; (5)Balanced propagation delays: tPLH @ tPHL; (6)Wide operating voltage range: VCC (OPR) = 2V to 6V; (7)Pin and function compatible with 74 series 299.
Diagrams

| Image | Part No | Mfg | Description | ![]() |
Pricing (USD) |
Quantity | ||||||||||||||||
|---|---|---|---|---|---|---|---|---|---|---|---|---|---|---|---|---|---|---|---|---|---|---|
![]() |
![]() M74HC299B1R |
![]() STMicroelectronics |
![]() Counter Shift Registers 8-Bit FIFO Shift Reg |
![]() Data Sheet |
![]()
|
|
||||||||||||||||
| Image | Part No | Mfg | Description | ![]() |
Pricing (USD) |
Quantity | ||||||||||||||||
![]() |
![]() M74HC00 |
![]() Other |
![]() |
![]() Data Sheet |
![]() Negotiable |
|
||||||||||||||||
![]() |
![]() M74HC00B1R |
![]() STMicroelectronics |
![]() Gates (AND / NAND / OR / NOR) Quad 2-Input NAND |
![]() Data Sheet |
![]()
|
|
||||||||||||||||
![]() |
![]() M74HC00M1R |
![]() |
![]() IC GATE NAND QUAD 2INPUT 14-SOIC |
![]() Data Sheet |
![]()
|
|
||||||||||||||||
![]() |
![]() M74HC00RM13TR |
![]() STMicroelectronics |
![]() Gates (AND / NAND / OR / NOR) Quad 2-Input NAND |
![]() Data Sheet |
![]()
|
|
||||||||||||||||
![]() |
![]() M74HC00TTR |
![]() |
![]() IC GATE NAND QUAD 2INPUT 14TSSOP |
![]() Data Sheet |
![]()
|
|
||||||||||||||||
![]() |
![]() M74HC02 |
![]() Other |
![]() |
![]() Data Sheet |
![]() Negotiable |
|
||||||||||||||||
(Hong Kong)












