Product Summary
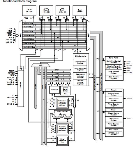
The TMS320C31PQL40 is a 32-bit, floating-point processor manufactured in 0.6 μm triple-level-metal CMOS technology.
Parametrics
TMS320C31PQL40 absolute maximum ratings: (1)Supply voltage range, VDD: -0.3 V to 7 V; (2)Input voltage range, VI: -0.3Vto7V; (3)Output voltage range, VO: -0.3Vto7V; (4)Continuous power dissipation (worst case): 2.6 W; (5)Operating case temperature range: 0 to 85℃; (6)Storage temperature range, Tstg: -5 5 to 150℃.
Features
TMS320C31PQL40 features: (1)High-Performance Floating-Point Digital Signal Processor (DSP); (2)32-Bit High-Performance CPU; (3)16-/32-Bit Integer and 32-/40-Bit Floating-Point Operations; (4)32-Bit Instruction Word, 24-Bit Addresses; (5)Two 1K × 32-Bit Single-Cycle Dual-Access On-Chip RAM Blocks; (6)Boot-Program Loader; (7)Fabricated Using 0.6 μm Enhanced Performance Implanted CMOS (EPIC) Technology by Texas Instruments (TI); (8)132-Pin Plastic Quad Flat Package (PQ Suffix); (9)Eight Extended-Precision Registers; (10)Two Address Generators With Eight Auxiliary Registers and Two Auxiliary Register Arithmetic Units (ARAUs); (11)Two Low-Power Modes; (12)Two- and Three-Operand Instructions; (13)Parallel Arithmetic/Logic Unit (ALU) and Multiplier Execution in a Single Cycle; (14)Block-Repeat Capability; (15)Zero-Overhead Loops With Single-Cycle Branches; (16)Conditional Calls and Returns; (17)Interlocked Instructions for Multiprocessing Support.
Diagrams

| Image | Part No | Mfg | Description | ![]() |
Pricing (USD) |
Quantity | ||||
|---|---|---|---|---|---|---|---|---|---|---|
![]() |
![]() TMS320C31PQL40 |
![]() Texas Instruments |
![]() Digital Signal Processors & Controllers (DSP, DSC) Digital Signal Proc |
![]() Data Sheet |
![]() Negotiable |
|
||||
| Image | Part No | Mfg | Description | ![]() |
Pricing (USD) |
Quantity | ||||
![]() |
![]() TMS3112 |
![]() Other |
![]() |
![]() Data Sheet |
![]() Negotiable |
|
||||
![]() |
![]() TMS3121 |
![]() Other |
![]() |
![]() Data Sheet |
![]() Negotiable |
|
||||
![]() |
![]() TMS320 |
![]() Other |
![]() |
![]() Data Sheet |
![]() Negotiable |
|
||||
![]() |
![]() TMS32010 |
![]() Other |
![]() |
![]() Data Sheet |
![]() Negotiable |
|
||||
![]() |
![]() TMS320AV7110 |
![]() Other |
![]() |
![]() Data Sheet |
![]() Negotiable |
|
||||
![]() |
![]() TMS320BC51PQ100 |
![]() Texas Instruments |
![]() Digital Signal Processors & Controllers (DSP, DSC) TMS320C51PQ - 132QFP - 100MHZ/BOOT CODE |
![]() Data Sheet |
![]() Negotiable |
|
||||
(Hong Kong)










