Product Summary
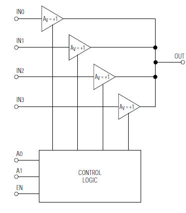
The MAX4141CSD+ is a wideband 330MHz, 700V/μs 4x1 multiplexer optimized for high-definition, broadcastquality, composite(HDTV, NTSC, PAL, SECAM) video switching arrays. The device includes four open-loop buffer amplifiers with a 0.1dB gain flatness of 150MHz, and enable and switch-control logic. The MAX4141CSD+ operates from ±5V supplies and features differential phase and gain error of only 0.01°/0.01%. The ultra-low switching glitch (less than 13mV) is positive to avoid confusion with any sync pulses. The applications of the MAX4141CSD+ include Broadcast/HDTV-Quality Color Signal Multiplexing, Video Routers and Crosspoint Arrays, RF and IF Routing, Graphics Color Signal Routing, Telecom Routing, Data Acquisition.
Parametrics
MAX4141CSD+ absolute maximum ratings: (1)VCC: 6V; (2)VEE: -6V; (3)VCC-VEE: 12V; (4)Analog Input Voltage: (VEE - 0.3V) to (VCC + 0.3V); (5)Digital Input Voltage: -0.3V to (VCC + 0.3V); (6)Duration of Short Circuit to Ground: Continuous; (7)Continuous Power Dissipation (TA = +70℃), SO (derate 8.00mW/℃ above +70℃): 640mW; (8)Operating Temperature Range: 0℃ to +70℃; (9)Storage Temperature Range: -65℃to +160℃; (10)Junction Temperature: +150℃; (11)Lead Temperature (soldering, 10sec): +300℃.
Features
MAX4141CSD+ features: (1)330MHz -3dB Bandwidth; (2)0.1dB Gain Flatness of 150MHz; (3)700V/μs Slew Rate; (4)0.01°/0.01% Differential Phase/Gain; (5)-66dB Crosstalk and -74dB Isolation at 30MHz; (6)High-Z Outputs when Disabled; (7)3pF Input Capacitance; (8)Low Switching Glitch; (9)On-Board Control Logic.
Diagrams

| Image | Part No | Mfg | Description | ![]() |
Pricing (USD) |
Quantity | ||||
|---|---|---|---|---|---|---|---|---|---|---|
![]() |
![]() MAX4141CSD+ |
![]() Maxim Integrated Products |
![]() Video Switch ICs |
![]() Data Sheet |
![]() Negotiable |
|
||||
![]() |
![]() MAX4141CSD+T |
![]() Maxim Integrated Products |
![]() Video Switch ICs |
![]() Data Sheet |
![]() Negotiable |
|
||||
(Hong Kong)









