Product Summary
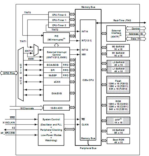
The TMS320F2810PBKA is a highly integrated, high-performance digital signal processor for demanding control applications. As with many DSP type devices, multiple busses are used to move data between the memories and peripherals and the CPU. The TMS320F2810PBKA is based on the High-Performance Static CMOS Technology.
Parametrics
TMS320F2810PBKA absolute maximum ratings: (1)Supply voltage range:–0.3 V to 4.6 V; (2)Supply voltage range:–0.5 V to 2.5 V; (3)Input voltage range:–0.3 V to 4.6 V; (4)Output voltage range:–0.3 V to 4.6 V; (5)Input clamp current:±20 mA; (6)Output clamp current:±20 mA; (7)Junction temperature range:–40℃ to 150℃; (8)Storage temperature range:–65℃ to 150℃.
Features
TMS320F2810PBKA features: (1)High-Performance Static CMOS Technology; (2)16 * 16 and 32 x 32 MAC Operations; (3)16 * 16 Dual MAC; (4)Harvard Bus Architecture; (5)Atomic Operations; (6)Fast Interrupt Response and Processing; (7)Unified Memory Programming Model; (8)4M Linear Program/Data Address Reach; (9)Code-Efficient (in C/C++ and Assembly); (10)TMS320F24x/LF240x Processor Source Code Compatible; (11)JTAG Boundary Scan Support; (12)Over 1M * 16 Total Memory; (13)Programmable Wait States; (14)Programmable Read/Write Strobe Timing; (15)Three Individual Chip Selects; (16)Three External Interrupts; (17)Peripheral Interrupt Expansion (PIE) Block That Supports 45 Peripheral Interrupts; (18)Three 32-Bit CPU-Timers; (19)128-Bit Security Key/Lock; (20)Serial Peripheral Interface (SPI); (21)Two Serial Communications Interfaces(SCIs), Standard UART; (22)Enhanced Controller Area Network (eCAN); (23)Multichannel Buffered Serial Port (McBSP).
Diagrams

| Image | Part No | Mfg | Description | ![]() |
Pricing (USD) |
Quantity | ||||||||||||
|---|---|---|---|---|---|---|---|---|---|---|---|---|---|---|---|---|---|---|
![]() |
![]() TMS320F2810PBKA |
![]() Texas Instruments |
![]() Digital Signal Processors & Controllers (DSP, DSC) 32-Bit Digital Sig Controller w/Flash |
![]() Data Sheet |
![]()
|
|
||||||||||||
| Image | Part No | Mfg | Description | ![]() |
Pricing (USD) |
Quantity | ||||||||||||
![]() |
![]() TMS3112 |
![]() Other |
![]() |
![]() Data Sheet |
![]() Negotiable |
|
||||||||||||
![]() |
![]() TMS3121 |
![]() Other |
![]() |
![]() Data Sheet |
![]() Negotiable |
|
||||||||||||
![]() |
![]() TMS320 |
![]() Other |
![]() |
![]() Data Sheet |
![]() Negotiable |
|
||||||||||||
![]() |
![]() TMS32010 |
![]() Other |
![]() |
![]() Data Sheet |
![]() Negotiable |
|
||||||||||||
![]() |
![]() TMS320AV7110 |
![]() Other |
![]() |
![]() Data Sheet |
![]() Negotiable |
|
||||||||||||
![]() |
![]() TMS320BC51PQ100 |
![]() Texas Instruments |
![]() Digital Signal Processors & Controllers (DSP, DSC) TMS320C51PQ - 132QFP - 100MHZ/BOOT CODE |
![]() Data Sheet |
![]() Negotiable |
|
||||||||||||
(Hong Kong)










