Product Summary
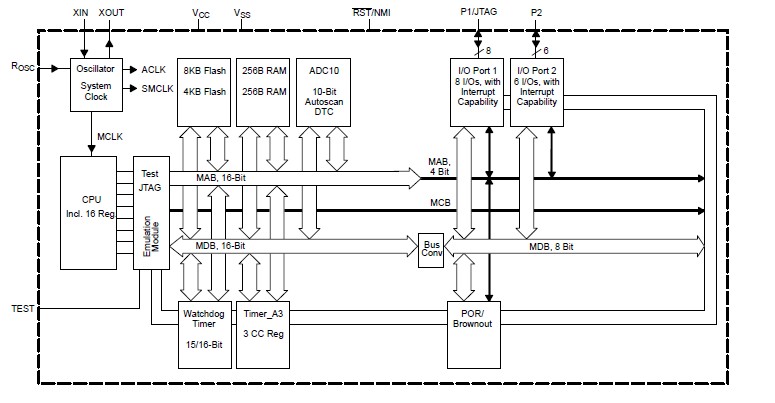
The MSP430F1132IPW is a mixed signal microcontroller. The architecture, combined with five low power modes is optimized to achieve extended battery life in portable measurement applications. The MSP430F1132IPW features a powerful 16-bit RISC CPU, 16-bit registers, and constant generators that attribute to maximum code efficiency. The digitally controlled oscillator (DCO) allows wake-up from low-power modes to active mode in less than 6μs. The MSP430F1132IPW is ultralow-power mixed signal microcontrollers with a built-in 16-bit timer, 10-bit A/D converter with integrated reference and data transfer controller (DTC) and fourteen or twenty-two I/O pins. In addition, the MSP430F1132IPW has built-in communication capability using asynchronous (UART) and synchronous (SPI) protocols. Digital signal processing with the 16-bit RISC performance enables effective system solutions such as glass breakage detection with signal analysis (including wave digital filter algorithm). Another area of application is in stand-alone RF sensors.
Parametrics
MSP430F1132IPW absolute maximum ratings: (1)Voltage applied at VCC to VSS: -0.3 V to 4.1 V; (2)Voltage applied to any pin (see Note): -0.3 V to VCC + 0.3 V; (3)Diode current at any device terminal: ±2 mA; (4)Storage temperature, Tstg (unprogrammed device): -55℃ to 150℃; (5)Storage temperature, Tstg (programmed device): -40℃ to 85℃.
Features
MSP430F1132IPW features: (1)Five Power Saving Modes; (2)Wake Up From Standby Mode in less than 6 μs; (3)16 Bit RISC Architecture, 125 ns Instruction Cycle Time; (4)16 Bit Timer A With Three Capture/Compare Registers; (5)10 Bit, 200 ksps A/D Converter With Internal Reference, Sample and Hold, Autoscan, and Data Transfer Controller; (6)Serial Communication Interface (USART0)With Software Selectable Asynchronous UART or Synchronous SPI (MSP430x12x2 Only).
Diagrams

| Image | Part No | Mfg | Description | ![]() |
Pricing (USD) |
Quantity | ||||||||||||
|---|---|---|---|---|---|---|---|---|---|---|---|---|---|---|---|---|---|---|
![]() |
![]() MSP430F1132IPW |
![]() Texas Instruments |
![]() 16-bit Microcontrollers (MCU) 8kB Flash 256B RAM 10bit ADC |
![]() Data Sheet |
![]()
|
|
||||||||||||
![]() |
![]() MSP430F1132IPWR |
![]() Texas Instruments |
![]() 16-bit Microcontrollers (MCU) 8kB Flash 256B RAM 10bit ADC |
![]() Data Sheet |
![]()
|
|
||||||||||||
(Hong Kong)









