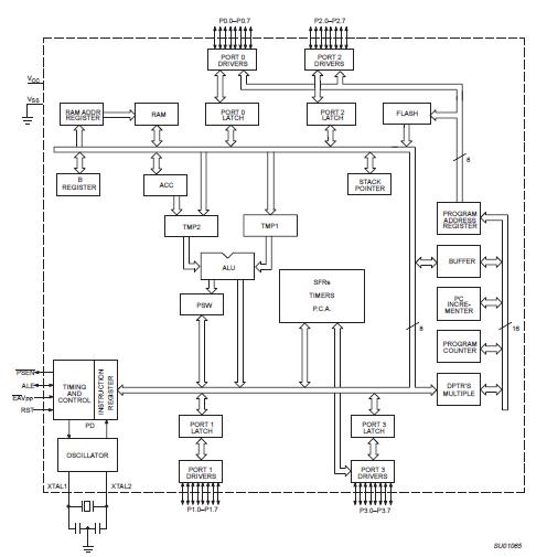
Product Summary
The P89C51RC2FA/01 is an 8-bit Flash microcontroller, contains a non-volatile 16kB Flash program memory. The P89C51RC2FA/01 is both parallel programmable and serial In-System and In-Application Programmable. In-System Programming (ISP) allows the user to download new code while the microcontroller sits in the application. In-Application Programming (IAP) means that the microcontroller fetches new program code and reprograms itself while in the system. The P89C51RC2FA/01 allows for remote programming over a modem link. A default serial loader (boot loader) program in ROM allows serial In-System programming of the Flash memory via the UART without the need for a loader in the Flash code. For In-Application Programming, the user program erases and reprograms the Flash memory by use of standard routines contained in ROM.
Parametrics
P89C51RC2FA/01 absolute maximum ratings: (1)Operating temperature under bias: 0 to +70 or -40 to +85℃; (2)Storage temperature range: -65 to +150℃; (3)Voltage on EA/VPP pin to VSS: 0 to +13.0 V; (4)Voltage on any other pin to VSS: -0.5 to +6.5 V; (5)Maximum IOL per I/O pin: 15 mA; (6)Power dissipation (based on package heat transfer limitations, not device power consumption): 1.5 W.
Features
P89C51RC2FA/01 features: (1)80C51 Central Processing Unit; (2)On-chip Flash Program Memory with In-System Programming (ISP) and In-Application Programming (IAP) capability; (3)Boot ROM contains low level Flash programming routines for downloading via the UART; (4)Can be programmed by the end-user application (IAP); (5)6 clocks per machine cycle operation (standard); (6)12 clocks per machine cycle operation (optional); (7)Speed up to 20 MHz with 6 clock cycles per machine cycle (40 MHz equivalent performance); up to 33 MHz with 12 clocks per machine cycle; (8)Fully static operation; (9)RAM expandable externally to 64 kB; (10)4 level priority interrupt; (11)8 interrupt sources; (12)Four 8-bit I/O ports; (13)Full-duplex enhanced UART, Framing error detection; Automatic address recognition; (14)Power control modes, Clock can be stopped and resumed; Idle mode; Power down mode; (15)Programmable clock out; (16)Second DPTR register; (17)Asynchronous port reset; (18)Low EMI (inhibit ALE); (19)Programmable Counter Array (PCA), PWM; Capture/compare.
Diagrams

| Image | Part No | Mfg | Description | ![]() |
Pricing (USD) |
Quantity | ||||
|---|---|---|---|---|---|---|---|---|---|---|
![]() |
![]() P89C51RC2FA/01,529 |
![]() |
![]() IC 80C51 MCU FLASH 32K 44-PLCC |
![]() Data Sheet |
![]() Negotiable |
|
||||
| Image | Part No | Mfg | Description | ![]() |
Pricing (USD) |
Quantity | ||||
![]() |
![]() P89C51 |
![]() Other |
![]() |
![]() Data Sheet |
![]() Negotiable |
|
||||
![]() |
![]() P89C51RA2 |
![]() Other |
![]() |
![]() Data Sheet |
![]() Negotiable |
|
||||
![]() |
![]() P89C51RA2xx |
![]() Other |
![]() |
![]() Data Sheet |
![]() Negotiable |
|
||||
![]() |
![]() P89C51RB2 |
![]() Other |
![]() |
![]() Data Sheet |
![]() Negotiable |
|
||||
![]() |
![]() P89C51RB2BA/01,512 |
![]() |
![]() IC 80C51 MCU FLASH 16K 44-PLCC |
![]() Data Sheet |
![]() Negotiable |
|
||||
![]() |
![]() P89C51RB2HBA |
![]() Other |
![]() |
![]() Data Sheet |
![]() Negotiable |
|
||||
(Hong Kong)










