Product Summary
The SN75HVD12DR is a transceiver. Its applications include Digital Motor Control, Utility Meters, Chassis-to-Chassis Interconnects, Electronic Security Stations, Industrial Process Control, Building Automation, Point-of-Sale (POS) Terminals and Networks. It is designed for balanced transmissioni lines and meet or exceed ANSI standard TIA/EIA-485-A and ISO8482: 1993.
Parametrics
SN75HVD12DR absolute maximum ratings: (1)Supply voltage range: -0.3 to 6V; (2)voltage range at A or B: -9 to 14V; (3)junction temperature: 170℃; (4)electrical fast transient: ±4kV; (5)receiver output current: -11 to 11mA; (6)input voltage range: -0.5 to VCC+0.5V.
Features
SN75HVD12DR features: (1)Operates With a 3.3-V Supply; (2)Bus-Pin ESD Protection Exceeds 16 kV HBM; (3)Thermal Shutdown Protection; (4)Bus-pin short circuti protection from -7 to 12V; (5)optional driver output transition times for signaling rates of 1Mbps, 10Mbps, and 32Mbps; (6)open-circuit, idle-bus, and shorted-bus failsafe receiver.
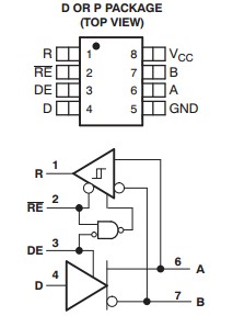
Diagrams

| Image | Part No | Mfg | Description | ![]() |
Pricing (USD) |
Quantity | ||||||||||||
|---|---|---|---|---|---|---|---|---|---|---|---|---|---|---|---|---|---|---|
![]() |
![]() SN75HVD12DR |
![]() Texas Instruments |
![]() Buffers & Line Drivers 3.3V Differential Transceivers |
![]() Data Sheet |
![]()
|
|
||||||||||||
![]() |
![]() SN75HVD12DRG4 |
![]() Texas Instruments |
![]() Buffers & Line Drivers 3.3V Differential Transceivers |
![]() Data Sheet |
![]()
|
|
||||||||||||
(Hong Kong)









