Product Summary
The TMS320LF2402APGA is a 2K x 8, 40MHz DSP controller.
Parametrics
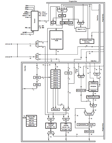
TMS320LF2402APGA features: (1)High-Performance Static CMOS Technology Based on TMS320C2xx DSP CPU Core Flash (LF) and ROM (LC) Device Options; (2)Boot ROM (LF240xA Devices); (3)On-Chip Memory; (4)Up to Two Event-Manager (EV) Modules; (5)External Memory Interface.
Features
TMS320LF2402APGA absolute maximum ratings: (1)Program Memory Size: 16KB (8K x 16); (2)RAM Size: 2K x 8; (3)Number of I /O: 21; (4)Package / Case: 64-QFP; (5)Speed: 40MHz; (6)Oscillator Type: Internal; (7)Packaging: Tray; (8)Program Memory Type: FLASH; (9)Core Processor: C2xx DSP; (10)Data Converters: A/D 8x10b; (11)Core Size: 16-Bit ; (12)Operating Temperature: -45 ~ 85℃; (13)Connectivity: SCI; (14)Voltage Supply (Vcc/Vdd): 3 V ~ 3.6 V; (15)Lead Free Status: Lead Free; (16)RoHS Status: RoHS Compliant.
Diagrams

| Image | Part No | Mfg | Description | ![]() |
Pricing (USD) |
Quantity | ||||||||||||
|---|---|---|---|---|---|---|---|---|---|---|---|---|---|---|---|---|---|---|
![]() |
![]() TMS320LF2402APGA |
![]() Texas Instruments |
![]() Digital Signal Processors & Controllers (DSP, DSC) 16-Bit Fixed-Pt DSP with Flash |
![]() Data Sheet |
![]()
|
|
||||||||||||
![]() |
![]() TMS320LF2402APGAR |
![]() Texas Instruments |
![]() Digital Signal Processors & Controllers (DSP, DSC) 18-Bit Univ Bus Drv With 3-State Outputs |
![]() Data Sheet |
![]()
|
|
||||||||||||
(Hong Kong)









