Product Summary
The AT24C256W-10SI-2.7 is a two-wire serial EEPROM. Its cascadable feature allows up to 4 devices to share a common two-wire bus.
Parametrics
AT24C256W-10SI-2.7 absolute maximum ratings: (1)operating temperature: -55 to 125℃; (2)storage temperature: -65 to 150℃; (3)voltage on any pin with respect to ground: -1 to 7V; (4)Maximum operating voltage: 6.25V; (5)DC output current: 5mA.
Features
AT24C256W-10SI-2.7 features: (1)Internally Organized 16,384 x 8 and 32,768 x 8; (2)Two-wire Serial Interface; (3)Schmitt Trigger, Filtered Inputs for Noise Suppression; (4)Bidirectional Data Transfer Protocol; (5)1 MHz (5V), 400 kHz (2.7V, 2.5V) and 100 kHz (1.8V) Compatibility.
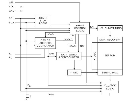
Diagrams

| Image | Part No | Mfg | Description | ![]() |
Pricing (USD) |
Quantity | ||||
|---|---|---|---|---|---|---|---|---|---|---|
![]() |
![]() AT24C256W-10SI-2.7 |
![]() Atmel |
![]() EEPROM 128/256k 2-Wire Bus |
![]() Data Sheet |
![]() Negotiable |
|
||||
![]() |
![]() AT24C256W-10SI-2.7 SL383 |
![]() |
![]() IC EEPROM 256KBIT 1MHZ 8SOIC |
![]() Data Sheet |
![]() Negotiable |
|
||||
(Hong Kong)










