Product Summary
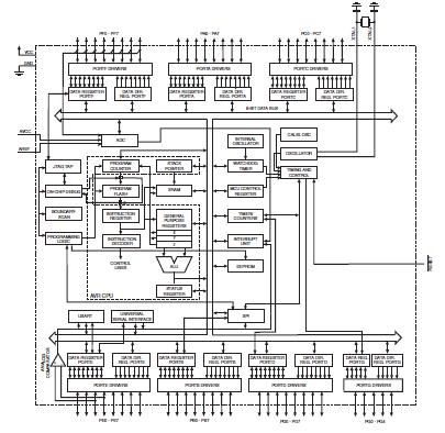
The ATMEGA165-16MI is an 8-bit Microcontroller with 16K Bytes In-System Programmable Flash.
Parametrics
ATMEGA165-16MI absolute maximum ratings: (1)Operating Temperature: -55℃ to +125℃; (2)Storage Temperature: -65℃ to +150℃; (3)Voltage on any Pin except RESET with respect to Ground: -0.5V to VCC+0.5V; (4)Voltage on RESET with respect to Ground: -0.5V to +13.0V; (5)Maximum Operating Voltag: 6.0V; (6)DC Current per I/O Pin: 40.0 mA; (7)DC Current VCC and GND Pins: 400.0 mA.
Features
ATMEGA165-16MI features: (1)High Performance, Low Power Atmel AVR 8-Bit Microcontroller; (2)Advanced RISC Architecture; (3)High Endurance Non-volatile Memory segments; (4)JTAG (IEEE std. 1149.1 compliant) Interface; (5)Speed Grade: 0 - 4 MHz @ 1.8V - 5.5V, 0 - 8 MHz @ 2.7V - 5.5V; (6)Temperature range: -40℃ to 85℃ Industrial; (7)Ultra-Low Power Consumption; (8)Two 8-bit Timer/Counters with Separate Prescaler and Compare Mode; (9)One 16-bit Timer/Counter with Separate Prescaler, Compare Mode, and Capture Mode; (10)Real Time Counter with Separate Oscillator; (11)Four PWM Channels; (12)8-channel, 10-bit ADC; (13)Programmable Serial USART; (14)Master/Slave SPI Serial Interface; (15)Universal Serial Interface with Start Condition Detector; (16)Programmable Watchdog Timer with Separate On-chip Oscillator; (17)On-chip Analog Comparator; (18)Interrupt and Wake-up on Pin Change.
Diagrams

| Image | Part No | Mfg | Description | ![]() |
Pricing (USD) |
Quantity | ||||
|---|---|---|---|---|---|---|---|---|---|---|
![]() |
![]() ATMEGA165-16MI |
![]() |
![]() IC AVR MCU 16K 16MHZ 64-QFN |
![]() Data Sheet |
![]() Negotiable |
|
||||
| Image | Part No | Mfg | Description | ![]() |
Pricing (USD) |
Quantity | ||||
![]() |
![]() ATMEG163POD |
![]() |
![]() IC AVR MCU ICE30 40PIN MEGAAVR |
![]() Data Sheet |
![]() Negotiable |
|
||||
![]() |
![]() ATmega103 |
![]() Other |
![]() |
![]() Data Sheet |
![]() Negotiable |
|
||||
![]() |
![]() ATMEGA103-6AC |
![]() Atmel |
![]() 8-bit Microcontrollers (MCU) TQFP-64 128K FLASH 5 |
![]() Data Sheet |
![]() Negotiable |
|
||||
![]() |
![]() ATMEGA103-6AI |
![]() |
![]() IC MCU 128K 6MHZ A/D IT 64TQFP |
![]() Data Sheet |
![]() Negotiable |
|
||||
![]() |
![]() ATMEGA103-6AU |
![]() Other |
![]() |
![]() Data Sheet |
![]() Negotiable |
|
||||
![]() |
![]() ATmega103L |
![]() Other |
![]() |
![]() Data Sheet |
![]() Negotiable |
|
||||
(Hong Kong)










