Product Summary
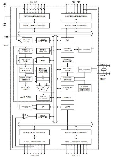
The ATMEGA16L-8MU is a low-power CMOS 8-bit microcontroller based on the AVR enhanced RISC architecture. By executing powerful instructions in a single clock cycle, the ATMEGA16L-8MU achieves throughputs approaching 1 MIPS per MHz allowing the system designer to optimize power consumption versus processing speed.
Parametrics
ATMEGA16L-8MU absolute maximum ratings: (1)Operating Temperature: -55℃ to +125℃; (2)Storage Temperature: -65℃ to +150℃; (3)Voltage on any Pin except RESET with respect to Ground: -0.5V to VCC+0.5V; (4) Voltage on RESET with respect to Ground: -0.5V to +13.0V; (5)Maximum Operating Voltage: 6.0V; (6)DC Current per I/O Pin: 40.0 mA; (7)DC Current VCC and GND Pins: 200.0mA PDIP and 400.0mA TQFP/MLF.
Features
ATMEGA16L-8MU features: (1)131 Powerful Instructions-Most Single-clock Cycle Execution; (2)32 x 8 General Purpose Working Registers; (3)Fully Static Operation; (4)Up to 16 MIPS Throughput at 16 MHz; (5)On-chip 2-cycle Multiplier; (6)16K Bytes of In-System Self-programmable Flash program memory; (7)512 Bytes EEPROM; (8)1K Byte Internal SRAM; (9)Write/Erase Cycles: 10,000 Flash/100,000 EEPROM; (10)Boundary-scan Capabilities According to the JTAG Standard; (11)Extensive On-chip Debug Support; (12)Programming of Flash, EEPROM, Fuses, and Lock Bits through the JTAG Interface; (13)Two 8-bit Timer/Counters with Separate Prescalers and Compare Modes; (14)One 16-bit Timer/Counter with Separate Prescaler, Compare Mode, and Capture Mode; (15)Real Time Counter with Separate Oscillator; (16)Four PWM Channels; (17)8-channel, 10-bit ADC; (18)Byte-oriented Two-wire Serial Interface; (19)Programmable Serial USART; (20)Master/Slave SPI Serial Interface; (21)Programmable Watchdog Timer with Separate On-chip Oscillator; (22)On-chip Analog Comparator.
Diagrams

| Image | Part No | Mfg | Description | ![]() |
Pricing (USD) |
Quantity | ||||||||||||
|---|---|---|---|---|---|---|---|---|---|---|---|---|---|---|---|---|---|---|
![]() |
![]() ATmega16L-8MU |
![]() Atmel |
![]() 8-bit Microcontrollers (MCU) 16kB Flash 0.5kB EEPROM 32 I/O Pins |
![]() Data Sheet |
![]()
|
|
||||||||||||
![]() |
![]() ATMEGA16L-8MUR |
![]() Atmel |
![]() 8-bit Microcontrollers (MCU) AVR 16K FLSH 1K EE ADC 3V-8MHz IND TEMP |
![]() Data Sheet |
![]()
|
|
||||||||||||
(Hong Kong)










