Product Summary
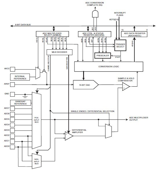
The ATMEGA325-16MU is a 10-bit successive approximation ADC. The ADC is connected to an 8-channel Analog Multiplexer which allows eight single-ended voltage inputs constructed from the pins of Port F. The single-ended voltage inputs refer to 0V (GND). The ATMEGA325-16MU contains a Sample and Hold circuit which ensures that the input voltage to the ADC is held at a constant level during conversion. A block diagram of the ADC is shown in Figure 83. The ATMEGA325-16MU has a separate analog supply voltage pin, AVCC. AVCC must not differ more than ± 0.3V from VCC. See the paragraph ADC Noise Canceler on page 199 on how to connect this pin.
Parametrics
ATMEGA325-16MU absolute maximum ratings: (1)Operating Temperature: -55℃ to +125℃; (2)Storage Temperature: -65℃ to +150℃; (3)Voltage on any Pin except RESET; (4)with respect to Ground: -0.5V to VCC+0.5V; (5)Voltage on RESET with respect to Ground: -0.5V to +13.0V; (6)Maximum Operating Voltage: 6.0V; (7)DC Current per I/O Pin: 40.0 mA; (8)DC Current VCC and GND Pins: 200.0 mA.
Features
ATMEGA325-16MU features: (1)10-bit Resolution; (2)0.5 LSB Integral Non-linearity; (3)2 LSB Absolute Accuracy; (4)13 μs - 260 μs Conversion Time (50 kHz to 1 MHz ADC clock); (5)Up to 15 kSPS at Maximum Resolution (200 kHz ADC clock); (6)Eight Multiplexed Single Ended Input Channels; (7)Optional Left Adjustment for ADC Result Readout; (8)0 - VCC ADC Input Voltage Range; (9)Selectable 1.1V ADC Reference Voltage; (10)Free Running or Single Conversion Mode; (11)ADC Start Conversion by Auto Triggering on Interrupt Sources; (12)Interrupt on ADC Conversion Complete; (13)Sleep Mode Noise Canceler.
Diagrams

| Image | Part No | Mfg | Description | ![]() |
Pricing (USD) |
Quantity | ||||||||
|---|---|---|---|---|---|---|---|---|---|---|---|---|---|---|
![]() |
![]() ATmega325-16MU |
![]() Atmel |
![]() 8-bit Microcontrollers (MCU) AVR 32K FLASH 1K EE 2K SRAM ADC 5V 5V |
![]() Data Sheet |
![]()
|
|
||||||||
![]() |
![]() ATMEGA325-16MUR |
![]() Atmel |
![]() 8-bit Microcontrollers (MCU) AVR 32K FLSH 1K EE2K SRAM ADC 5V-20MHZ |
![]() Data Sheet |
![]()
|
|
||||||||
(Hong Kong)










