Product Summary
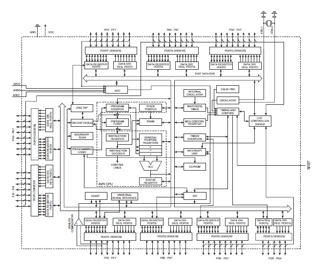
The ATMEGA329V-8AI is an 8-bit Microcontroller with In-System Programmable Flash. The ATMEGA329V-8AI combines a rich instruction set with 32 general purpose working registers. All the 32 registers are directly connected to the Arithmetic Logic Unit (ALU), allowing two independent registers to be accessed in one single instruction executed in one clock cycle. The resulting architecture is more code efficient while achieving throughputs up to ten times faster than conventional CISC microcontrollers. The ATMEGA329V-8AI provides the following features: 32/64K bytes of In- System Programmable Flash with Read-While-Write capabilities, 1/2K bytes EEPROM, 2/4K byte SRAM, 54/69 general purpose I/O lines, 32 general purpose working registers, a JTAG interface for Boundary-scan, On-chip Debugging support and programming, a complete On-chip LCD controller with internal contrast control, three flexible Timer/Counters with compare modes, internal and external interrupts, a serial programmable USART, Universal Serial Interface with Start Condition Detector, an 8- channel, 10-bit ADC, a programmable Watchdog Timer with internal Oscillator, an SPI serial port, and five software selectable power saving modes. The Idle mode stops the CPU while allowing the SRAM, Timer/Counters, SPI port, and interrupt system to continue functioning.
Parametrics
ATMEGA329V-8AI absolute maximum ratings: (1)Operating Temperature: -55℃ to +125℃; (2)Storage Temperature: -65℃ to +150℃; (3)Voltage on any Pin except RESET with respect to Ground: -0.5V to VCC+0.5V; (4)Voltage on RESET with respect to Ground: -0.5V to +13.0V; (5)Maximum Operating Voltage: 6.0V; (6)DC Current per I/O Pin: 40.0 mA; (7)DC Current VCC and GND Pins: 200.0 mA.
Features
ATMEGA329V-8AI features: (1)130 Powerful Instructions Most Single Clock Cycle Execution; (2)32 x 8 General Purpose Working Registers; (3)Boundary-scan Capabilities According to the JTAG Standard; (4)Extensive On-chip Debug Support; (5)Programming of Flash, EEPROM, Fuses, and Lock Bits through the JTAG Interface; (6)Real Time Counter with Separate Oscillator; (7)Four PWM Channels; (8)8-channel, 10-bit ADC; (9)Programmable Serial USART; (10)Master/Slave SPI Serial Interface; (11)Universal Serial Interface with Start Condition Detector; (12)Programmable Watchdog Timer with Separate On-chip Oscillator; (13)On-chip Analog Comparator; (14)Interrupt and Wake-up on Pin Change; (15)Power-on Reset and Programmable Brown-out Detection; (16)Internal Calibrated Oscillator; (17)External and Internal Interrupt Sources.
Diagrams

| Image | Part No | Mfg | Description | ![]() |
Pricing (USD) |
Quantity | ||||
|---|---|---|---|---|---|---|---|---|---|---|
![]() |
![]() ATmega329V-8AI |
![]() Atmel |
![]() 8-bit Microcontrollers (MCU) AVR 16K FLASH 1K EE 2K SRAM LCD ADC |
![]() Data Sheet |
![]() Negotiable |
|
||||
| Image | Part No | Mfg | Description | ![]() |
Pricing (USD) |
Quantity | ||||
![]() |
![]() ATMEG163POD |
![]() |
![]() IC AVR MCU ICE30 40PIN MEGAAVR |
![]() Data Sheet |
![]() Negotiable |
|
||||
![]() |
![]() ATmega103 |
![]() Other |
![]() |
![]() Data Sheet |
![]() Negotiable |
|
||||
![]() |
![]() ATMEGA103-6AC |
![]() Atmel |
![]() 8-bit Microcontrollers (MCU) TQFP-64 128K FLASH 5 |
![]() Data Sheet |
![]() Negotiable |
|
||||
![]() |
![]() ATMEGA103-6AI |
![]() |
![]() IC MCU 128K 6MHZ A/D IT 64TQFP |
![]() Data Sheet |
![]() Negotiable |
|
||||
![]() |
![]() ATMEGA103-6AU |
![]() Other |
![]() |
![]() Data Sheet |
![]() Negotiable |
|
||||
![]() |
![]() ATmega103L |
![]() Other |
![]() |
![]() Data Sheet |
![]() Negotiable |
|
||||
(Hong Kong)











