Product Summary
The ATMEGA640V-8CU is a low-power CMOS 8-bit microcontroller based on the AVR enhanced RISC architecture. By executing powerful instructions in a single clock cycle, the ATMEGA640V-8CU achieves throughputs approaching 1 MIPS per MHz allowing the system designer to optimize power consumption versus processing speed.
Parametrics
ATMEGA640V-8CU absolute maximum ratings: (1)Operating Temperature: -55℃ to +125℃; (2)Storage Temperature: -65℃ to +150℃; (3)Voltage on any Pin except RESET; (4)with respect to Ground: -0.5V to VCC+0.5V; (5)Voltage on RESET with respect to Ground: -0.5V to +13.0V; (6)Maximum Operating Voltage: 6.0V; (7)DC Current per I/O Pin: 40.0 mA; (8)DC Current VCC and GND Pins: 200.0 mA.
Features
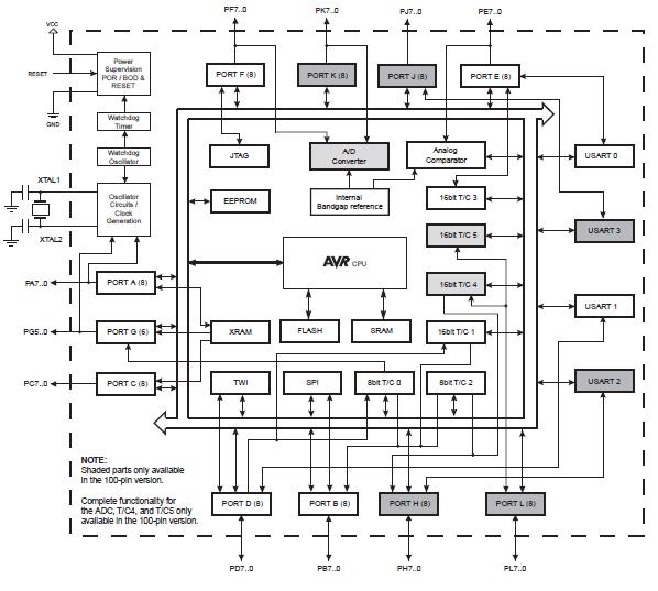
ATMEGA640V-8CU features: (1)High Performance, Low Power AVR 8-Bit Microcontroller; (2)Advanced RISC Architecture; (3)High Endurance Non-volatile Memory Segments; (4)JTAG (IEEE std. 1149.1 compliant) Interface, Boundary-scan Capabilities According to the JTAG Standard; Extensive On-chip Debug Support; Programming of Flash, EEPROM, Fuses, and Lock Bits through the JTAG Interface; (5)Two 8-bit Timer/Counters with Separate Prescaler and Compare Mode; (6)Four 16-bit Timer/Counter with Separate Prescaler, Compare- and Capture Mode; (7)Real Time Counter with Separate Oscillator; (8)Four 8-bit PWM Channels; (9)Six/Twelve PWM Channels with Programmable Resolution from 2 to 16 Bits; (10)Output Compare Modulator; (11)8/16-channel, 10-bit ADC (ATmega1281/2561, ATmega640/1280/2560); (12)Two/Four Programmable Serial USART; (13)Master/Slave SPI Serial Interface; (14)Byte Oriented 2-wire Serial Interface; (15)Programmable Watchdog Timer with Separate On-chip Oscillator; (16)On-chip Analog Comparator; (17)Interrupt and Wake-up on Pin Change; (18)Power-on Reset and Programmable Brown-out Detection; (19)Internal Calibrated Oscillator; (20)External and Internal Interrupt Sources; (21)Six Sleep Modes: Idle, ADC Noise Reduction, Power-save, Power-down, Standby, and Extended Standby; (22)54/86 Programmable I/O Lines; (23)64-pad QFN/MLF, 64-lead TQFP; 100-lead TQFP, 100-ball CBGA; RoHS/Fully Green; (24)Temperature Range: -40℃ to 85℃ Industrial; (25)Ultra-Low Power Consumption, Active Mode: 1 MHz, 1.8V: 500μA; (26)Power-down Mode: 0.1μA at 1.8V.
Diagrams

| Image | Part No | Mfg | Description | ![]() |
Pricing (USD) |
Quantity | ||||||||
|---|---|---|---|---|---|---|---|---|---|---|---|---|---|---|
![]() |
![]() ATMEGA640V-8CU |
![]() Atmel |
![]() 8-bit Microcontrollers (MCU) AVR 64K FLSH 8K SRAM 4KB EE-8 MHZ 1.8V |
![]() Data Sheet |
![]()
|
|
||||||||
![]() |
![]() ATMEGA640V-8CUR |
![]() Atmel |
![]() 8-bit Microcontrollers (MCU) AVR 64K FLSH 8K SRAM 4KB EE-8MHZ 1.8V IND |
![]() Data Sheet |
![]()
|
|
||||||||
(Hong Kong)










