Product Summary
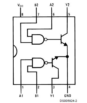
The DS75451N is a series dual peripheral driver. The DS75451N is a versatile device designed for use in systems that use TTL logic. Typical applications include high speed logic buffers, power drivers, relay drivers, lamp drivers, MOS drivers, bus drivers and memory drivers. The DS75451N is a dual peripheral NAND driver, respectively, (positive logic) with the output of the logic gates internally connected to the bases of the NPN output transistor.
Parametrics
DS75451N absolute maximum ratings: (1)Supply Voltage, (VCC): 7.0V; (2)Input Voltage: 5.5V; (3)Inter-Emitter Voltage: 5.5V; (4)Output Voltage: 30V; (5)Output Current: 300 mA; (6)Maximum Power, Dissipation at 25℃; Molded DIP Package:957 mW; SO Package: 632 mW; (7)Storage Temperature Range: -65℃ to +150℃; (8)Lead Temperature (Soldering, 4 sec.): 260℃.
Features
DS75451N features: (1)300 mA output current capability; (2)High voltage outputs; (3)No output latch-up at 20V; (4)High speed switching; (5)Choice of logic function; (6)TTL compatible diode-clamped inputs; (7)Standard supply voltages; (8)Replaces TI “A” and “B” series.
Diagrams

| Image | Part No | Mfg | Description | ![]() |
Pricing (USD) |
Quantity | ||||||||||||
|---|---|---|---|---|---|---|---|---|---|---|---|---|---|---|---|---|---|---|
![]() |
![]() DS75451N |
![]() |
![]() IC DRIVER DUAL PERIPHERAL 8-DIP |
![]() Data Sheet |
![]() Negotiable |
|
||||||||||||
| Image | Part No | Mfg | Description | ![]() |
Pricing (USD) |
Quantity | ||||||||||||
![]() |
![]() DS75 |
![]() Other |
![]() |
![]() Data Sheet |
![]() Negotiable |
|
||||||||||||
![]() |
![]() DS7505S+ |
![]() Maxim Integrated Products |
![]() Board Mount Temperature Sensors Thermometer & Thermostat |
![]() Data Sheet |
![]()
|
|
||||||||||||
![]() |
![]() DS7505S+T&R |
![]() Maxim Integrated Products |
![]() Board Mount Temperature Sensors Thermometer & Thermostat |
![]() Data Sheet |
![]()
|
|
||||||||||||
![]() |
![]() DS7505U+ |
![]() Maxim Integrated Products |
![]() Board Mount Temperature Sensors Thermometer & Thermostat |
![]() Data Sheet |
![]()
|
|
||||||||||||
![]() |
![]() DS7505U+T&R |
![]() Maxim Integrated Products |
![]() Board Mount Temperature Sensors Thermometer & Thermostat |
![]() Data Sheet |
![]()
|
|
||||||||||||
![]() |
![]() DS75-08B |
![]() Ixys |
![]() Rectifiers 75 Amps 800V |
![]() Data Sheet |
![]() Negotiable |
|
||||||||||||
(Hong Kong)














