Product Summary
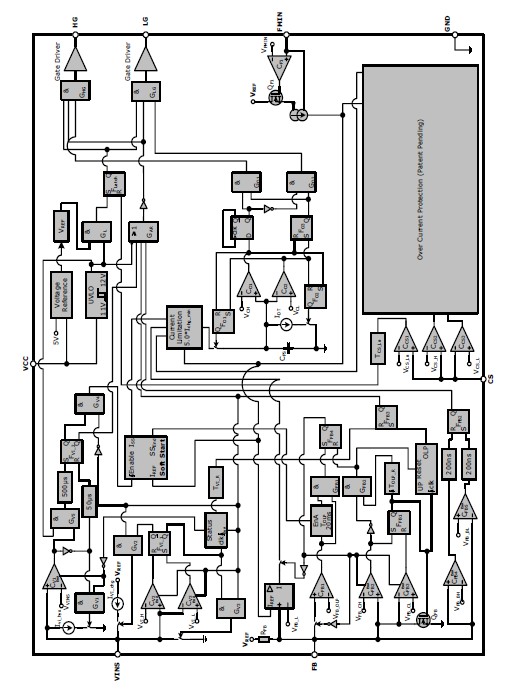
The controller ICE1HS01G is an Half-Bridge Resonant Controller . An oscillator with accurately-programmed frequency range is built inside the IC. The two gate signals of the ICE1HS01G are obtained by passing the signal out from the oscillator through a divide-by-two flip-flop. Therefore, two signals are of exactly 50% duty cycle and 180o out of phase. To guarantee the zero-voltage-switching and safe operation in half-bridge topologies, a fixed dead time of 380ns is inserted in each internal when one switch is turned off and the other is turned on. For LLC resonant half-bridge converter, the output voltage is regulated by changing the switching frequency. The ICE1HS01G offers the designer to choose suitable operation frequency range by programming the oscillator with one single resistor. In addition, ICE1HS01G offers a programmed soft-start function to limit both the inrush current and the overshoot in output voltage. To protect the system during operation, mains input under-voltage protection and over-current protection are integrated in ICE1HS01G as well.
Parametrics
ICE1HS01G absolute maximum ratings: (1)VCC Supply Voltage VVCC -0.3~20.5V; (2)VHG Voltage VLG -0.3~18 V; (3)VLG Voltage VLG -0.3~18 V; (4)CS voltage VCS -0.3~5 V; (5)FB voltage VFB -0.3~5 V; (6)VINS voltage VVINS -0.3~5 V; (7)FMIN voltage VFMIN -0.3~5 V; (8)Maximum source current on FMIN IFMIN: 2.5 mA; (9)Junction Temperature Tj -40~125 ℃; (10)Storage Temperature TS -55~150 ℃.
Features
ICE1HS01G features: (1)DSO8 package; (2)Maximum 600kHz switching frequency; (3)Adjustable minimum switching frequency with high accuracy; (4)50% duty cycle; (5)Mains input under votlage protection with adjustable hysteresis; (6)Two levels of overcurrent protection: frequency shift and latch off; (7)Open-loop/over load protection with extended blanking time; (8)Built-in digital and nonlinear softstart.
Diagrams

| Image | Part No | Mfg | Description | ![]() |
Pricing (USD) |
Quantity | ||||||||||||
|---|---|---|---|---|---|---|---|---|---|---|---|---|---|---|---|---|---|---|
![]() |
![]() ICE1HS01G |
![]() Infineon Technologies |
![]() AC/DC Switching Converters SMPS IC'S |
![]() Data Sheet |
![]()
|
|
||||||||||||
| Image | Part No | Mfg | Description | ![]() |
Pricing (USD) |
Quantity | ||||||||||||
![]() |
![]() ICE1CS01XK |
![]() Infineon Technologies |
![]() Switching Converters, Regulators & Controllers SMPS IC'S |
![]() Data Sheet |
![]() Negotiable |
|
||||||||||||
![]() |
![]() ICE1CS02 |
![]() Infineon Technologies |
![]() Power Factor Correction ICs SMPS IC'S |
![]() Data Sheet |
![]()
|
|
||||||||||||
![]() |
![]() ICE1CS02G |
![]() Infineon Technologies |
![]() Power Factor Correction ICs SMPS IC'S |
![]() Data Sheet |
![]()
|
|
||||||||||||
![]() |
![]() ICE1HS01G |
![]() Infineon Technologies |
![]() AC/DC Switching Converters SMPS IC'S |
![]() Data Sheet |
![]()
|
|
||||||||||||
![]() |
![]() ICE1PCS01 |
![]() Infineon Technologies |
![]() Power Factor Correction ICs STANDALONE PFC CTRLR CCM BRN-OUT PROTECT |
![]() Data Sheet |
![]()
|
|
||||||||||||
![]() |
![]() ICE1PCS01G |
![]() Infineon Technologies |
![]() Power Factor Correction ICs STANDALONE PFC CTRLR CCM BRN-OUT PROTECT |
![]() Data Sheet |
![]() Negotiable |
|
||||||||||||
(Hong Kong)










