Product Summary
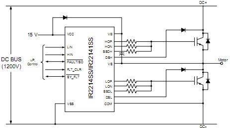
The IR22141SSTRPBF is a gate driver suited to drive a single half bridge in power switching applications. The high gate driving capability (2A source, 3A sink) and the low quiescent current enable bootstrap supply techniques in medium power systems. The IR22141SSTRPBF driver features full short circuit protection by means of the power transistor desaturation detection. The IR22141SSTRPBF manages all the half-bridge faults by turning off smoothly the desaturated transistor through the dedicated soft shut down pin, therefore preventing over-voltages and reducing EM emissions.
Parametrics
IR22141SSTRPBF absolute maximum ratings: (1)High side offset voltage:VB - 25V to VB + 0.3V; (2)High side floating supply voltage:-0.3V to 1225V; (3)High side floating output voltage (HOP, HON and SSDH):VS - 0.3V to VB + 0.3V; (4)Low side and logic fixed supply voltage:-0.3V to 25V; (5)Power ground:VCC - 25V to VCC + 0.3V; (6)Low side output voltage (LOP, LON and SSDL):VCOM -0.3V to VCC + 0.3V; (7)Logic input voltage (HIN, LIN and FLT_CLR):-0.3V to VCC + 0.3V; (8)FAULT input/output voltage (FAULT/SD and SY_FLT):-0.3V to VCC + 0.3V; (9)High side DS input voltage:VB -25V to VB + 0.3V; (10)Low side DS input voltage:VCC - 25V to VCC + 0.3V; (11)Allowable offset voltage slew rate:50 V/ns; (12)Package power dissipation @ TA ≤ +25℃:1.5 W; (13)Thermal resistance, junction to ambient:65℃/W; (14)Junction temperature:150℃; (15)Storage temperature:-55℃ to 150℃; (16)Lead temperature (soldering, 10 seconds):300℃.
Features
IR22141SSTRPBF features: (1)Floating channel up to +1200V; (2)Soft overcurrent shutdown; (3)Synchronization signal to synchronize shut down with the other phases; (4)Integrated desaturation detection circuit; (5)Two stage turn on output for di/dt control; (6)Separate pull-up/pull-down output drive pins; (7)Matched delay outputs; (8)Under voltage lockout with hysteresis band.
Diagrams

| Image | Part No | Mfg | Description | ![]() |
Pricing (USD) |
Quantity | ||||||||||||
|---|---|---|---|---|---|---|---|---|---|---|---|---|---|---|---|---|---|---|
![]() |
![]() IR22141SSTRPBF |
![]() International Rectifier |
![]() Power Driver ICs Hlf Brdg Drvr IC for Pwr Swtch App |
![]() Data Sheet |
![]()
|
|
||||||||||||
| Image | Part No | Mfg | Description | ![]() |
Pricing (USD) |
Quantity | ||||||||||||
![]() |
![]() IR2213 |
![]() |
![]() IC DRIVER HIGH/LOW SIDE 14-DIP |
![]() Data Sheet |
![]() Negotiable |
|
||||||||||||
![]() |
![]() IR2213(S) |
![]() Other |
![]() |
![]() Data Sheet |
![]() Negotiable |
|
||||||||||||
![]() |
![]() IR2213PBF |
![]() International Rectifier |
![]() Power Driver ICs Hi&Lw Sd Drvr NonInvrt Inpt |
![]() Data Sheet |
![]()
|
|
||||||||||||
![]() |
![]() IR2213S |
![]() |
![]() IC DRIVER HIGH/LOW SIDE 16-SOIC |
![]() Data Sheet |
![]() Negotiable |
|
||||||||||||
![]() |
![]() IR2213SPBF |
![]() International Rectifier |
![]() Power Driver ICs |
![]() Data Sheet |
![]()
|
|
||||||||||||
![]() |
![]() IR2213STRPBF |
![]() International Rectifier |
![]() Power Driver ICs Hi&Lw Sd Drvr NonInvrt Inpt |
![]() Data Sheet |
![]()
|
|
||||||||||||
(Hong Kong)












