Product Summary
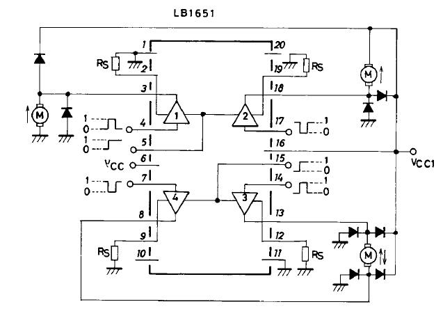
The LB1651 is a dual bidirectional motor driver that is designed to drive motors directly by TTL outputs. The LB1651 provides the functions of bidirectional motor drive, brake that is determined by two inputs and the inhibit function that brings the output to a high impedance state. The applications of the LB1651 include Multi DC motor driver, bidirectional motor driver, bipolar stepping motor driver.
Parametrics
LB1651 absolute maximum ratings: (1)Maximum supply voltage, VCC: 36 V; (2)Logic supply voltage, VCC: 36 V; (3)Input voltage, VIN: 7 V; (4)Inhibit voltage, Vinh: 7V; (5)Peak output current, IOUT: 1 ms non-repetitive, 2A; (6)Allowable power dissipation, Pd max: 3 W; (7)Operating temperature, Topr: -20 to +80℃; (8)Storage temperature, Tstg: -40 to +150℃.
Features
LB1651 features: (1)High output current (1 A/ch); (2)Wide operating voltage range (4.5 to 36 V); (3)Inhibit function; (4)Direct drive made possible by TTL, CMOS IC; (5)High noise margin.
Diagrams

| Image | Part No | Mfg | Description | ![]() |
Pricing (USD) |
Quantity | ||||
|---|---|---|---|---|---|---|---|---|---|---|
![]() |
![]() LB1651D |
![]() Other |
![]() |
![]() Data Sheet |
![]() Negotiable |
|
||||
![]() |
![]() LB1651 |
![]() Other |
![]() |
![]() Data Sheet |
![]() Negotiable |
|
||||
(Hong Kong)









