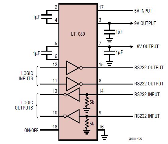
Product Summary
The LT1080ISW#TR is an advanced low power 5V RS232 dual driver/receiver with charge pump to guarantee absolutely no latchup. The interface optimized device provides a realistic balance between CMOS levels of power dissipation and real world requirements for ruggedness. The driver outputs are fully protected against overload and can be shorted to ±30V. Unlike CMOS, the advanced architecture of the LT1080ISW#TR does not load the signal line when "Shut down" or when power is off. The applications of the LT1080ISW#TR include Portable Computers, Battery-Powered RS232 Systems, Power Supply Generator, Terminals, Modems.
Parametrics
LT1080ISW#TR absolute maximum ratings: (1)Supply Voltage (VCC): 6V; (2)V+: 12V; (3)V-: -12V; (4)Input Voltage, Driver: V– to V+; Receiver: -30V to 30V; (5)ON/OFF Pin: GND to 12V; (6)Output Voltage, Driver: (V- +30V) to (V+ -30V); Receiver: -0.3V to (VCC + 0.3V).
Features
LT1080ISW#TR features: (1)Superior to CMOS, Improved Speed: Operates over 120kBaud; Improved Protection: Outputs Can Be Forced to ±30V without Damage; Three-State Outputs Are High Impedance When Off; Only Needs 1mF Capacitors; (2)Absolutely No Latchup; (3)CMOS Comparable Low Power: 60mW; (4)Can Power Additional RS232 Drivers: 10mA; (5)Supply Current in Shutdown: 1mA; (6)Available in SO Package; (7)Available with or without Shutdown.
Diagrams

| Image | Part No | Mfg | Description | ![]() |
Pricing (USD) |
Quantity | ||||||
|---|---|---|---|---|---|---|---|---|---|---|---|---|
![]() |
![]() LT1080ISW#TR |
![]() |
![]() IC DVR/RCVR DUAL RS232 5V 16SOIC |
![]() Data Sheet |
![]()
|
|
||||||
![]() |
![]() LT1080ISW#TRPBF |
![]() |
![]() IC DRVR/RCVR DL-RS232 5V 16SOIC |
![]() Data Sheet |
![]()
|
|
||||||
(Hong Kong)









