Product Summary
The TMS320F206PZA is a 40MHz digital signal processor.
Parametrics
TMS320F206PZA absolute maximum ratings: (1)Vendor Texas: Instruments; (2)Category: Integrated Circuits (ICs) ; (3)Package / Case: 100-LQFP; (4)Packaging: Tube; (5)Type: Fixed Point; (6)Non-Volatile: Memory FLASH (64 kB); (7)On-Chip: RAM 9kB; (8)Interface: SSP, UART; (9)Voltage I/O: 5.00V; (10)Voltage Core: 5.00V; (11)Clock Rate: 40MHz; (12)Operating Temperature: -40℃ ~ 85℃; (13)Lead Free Status: Lead Free; (14)RoHS Status: RoHS Compliant.
Features
TMS320F206PZA features: (1)High-Performance Static CMOS Technology; (2)Includes the T320C2xLP Core CPU Instruction-Cycle Time 50 ns @ 5 V; (3)Source Code Compatible With TMS320C25; (4)Up7wardly Code-Compatible With TMS320C5x Devices; (5)Three External Interrupts; (6)TMS320F206 Integrated memory; (7)224K x 16-Bit Maximum Addressable External Memory Space.
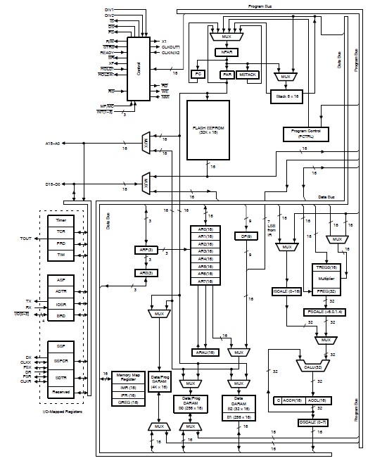
Diagrams

| Image | Part No | Mfg | Description |  | Pricing (USD) | Quantity | ||||
|---|---|---|---|---|---|---|---|---|---|---|
|  |  TMS320F206PZA |  Texas Instruments |  Digital Signal Processors & Controllers (DSP, DSC) Digital Signal Proc |  Data Sheet |  Negotiable |  | ||||
| Image | Part No | Mfg | Description |  | Pricing (USD) | Quantity | ||||
|  |  TMS3112 |  Other |  |  Data Sheet |  Negotiable |  | ||||
|  |  TMS3121 |  Other |  |  Data Sheet |  Negotiable |  | ||||
|  |  TMS320 |  Other |  |  Data Sheet |  Negotiable |  | ||||
|  |  TMS32010 |  Other |  |  Data Sheet |  Negotiable |  | ||||
|  |  TMS320AV7110 |  Other |  |  Data Sheet |  Negotiable |  | ||||
|  |  TMS320BC51PQ100 |  Texas Instruments |  Digital Signal Processors & Controllers (DSP, DSC) TMS320C51PQ - 132QFP - 100MHZ/BOOT CODE |  Data Sheet |  Negotiable |  | ||||
 (Hong Kong)
 (Hong Kong) 
                         
                        
 
                                    




