Product Summary
The LT1575CS8#TR is an ultrafast transient response, low dropout regulator. Its applications include PowerPC TM Supplies, 5V to 3.XXV or 3.3V to 2.XXV Microprocessor Supplies, GTL Termination, Low Voltage Logic Supplies. The LT1575CS8#TR achieves unprecedented transient-load performance by eliminating expensive tantalum or bulk electrlytic output capacitors in the most demanding modern applications.
Parametrics
LT1575CS8#TR absolute maximum ratings: (1)VIN: 22V; (2)SHDN: VIN; (3)Operating ambient temperature range: 0 to 70℃; (4)junction temperature: 0 to 100℃; (5)storage temperature range: -65 to 150℃; (6)lead temperature: 300℃.
Features
LT1575CS8#TR features: (1)FET RDS(ON) Defines Dropout Voltage; (2)1% Reference/Output Voltage Tolerance Over Temperature; (3)Typical Load Regulation: 1mV; (4)High Side Sense Current Limit; (5)Multifunction Shutdown Pin with Latchoff.
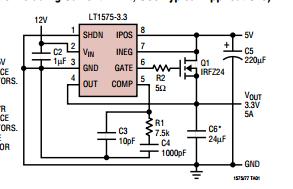
Diagrams

| Image | Part No | Mfg | Description | ![]() |
Pricing (USD) |
Quantity | ||||||
|---|---|---|---|---|---|---|---|---|---|---|---|---|
![]() |
![]() LT1575CS8#TR |
![]() |
![]() IC REG CTRLR SGL POS ADJ 8SOIC |
![]() Data Sheet |
![]()
|
|
||||||
![]() |
![]() LT1575CS8#TRPBF |
![]() |
![]() IC REG CTRLR SGL POS ADJ 8-SOIC |
![]() Data Sheet |
![]()
|
|
||||||
(Hong Kong)









