Product Summary
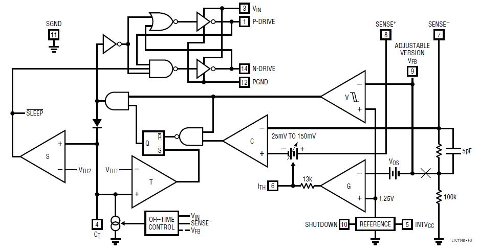
The LTC1148HVCS#TR is a member of the synchronous stepdown switching regulator controller family featuring automatic Burst Mode operation to maintain high efficiencies at low output currents. The LTC1148HVCS#TR drives external complementary power MOSFETs at switching frequencies up to 250kHz using a constant off-time current-mode architecture providing constant ripple current in the inductor. The operating current level is user-programmable via an external current sense resistor. Wide input supply range allows operation from 3.5V to 18V (20V maximum). Constant off-time architecture provides low dropout regulation limited by only the RDS(ON) of the external MOSFET and resistance of the inductor and current sense resistor. The LTC1148HVCS#TR combines synchronous switching for maximum efficiency at high currents with an automatic low current operating mode, called Burst Mode operation, which reduces switching losses. Standby power is reduced to only 2mW at VIN = 10V (at IOUT = 0). Load currents in Burst Mode operation are typically 0mA to 300mA.
Parametrics
LTC1148HVCS#TR absolute maximum ratings: (1)Input Supply Voltage: 20V to –0.3V; (2)Continuous Output Current (Pins 1, 14): 50mA; (3)Sense Voltages (Pins 7, 8) VIN ≥ 12.7V: 13V to –0.3V; (4)Sense Voltages (Pins 7, 8) VIN < 12.7V: (VIN + 0.3V) to –0.3V; (5)Operating Ambient Temperature Range: 0℃ to 70℃; (6)Extended Commercial and Industrial Temperature Range: –40℃ to 85℃; (7)Junction Temperature: 125℃; (8)Storage Temperature Range: – 65℃ to 150℃; (9)Lead Temperature (Soldering, 10 sec): 300℃.
Features
LTC1148HVCS#TR features: (1)Ultrahigh Efficiency: Over 95% Possible; (2)Current-Mode Operation for Excellent Line and Load Transient Response; (3)High Efficiency Maintained Over Three Decades of Output Current; (4)Low 160μA Standby Current at Light Loads; (5)Logic Controlled Micropower Shutdown: IQ < 20μA; (6)Wide VIN Range: 3.5V to 20V; (7)Short-Circuit Protection; (8)Very Low Dropout Operation: 100% Duty Cycle; (9)Synchronous FET Switching for High Efficiency; (10)Adaptive Nonoverlap Gate Drives; (11)Output Can Be Externally Held High in Shutdown; (12)Available in 14-Pin Narrow SO Package.
Diagrams

| Image | Part No | Mfg | Description | ![]() |
Pricing (USD) |
Quantity | ||||||
|---|---|---|---|---|---|---|---|---|---|---|---|---|
![]() |
![]() LTC1148HVCS#TR |
![]() |
![]() IC REG CTRLR BUCK PWM CM 14-SOIC |
![]() Data Sheet |
![]()
|
|
||||||
![]() |
![]() LTC1148HVCS#TRPBF |
![]() |
![]() IC REG CTRLR BUCK PWM CM 14-SOIC |
![]() Data Sheet |
![]()
|
|
||||||
(Hong Kong)









