Product Summary
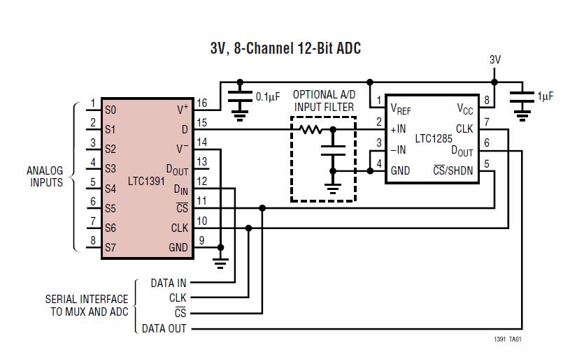
The LTC1391CS#TR is a high performance CMOS 8-to-1 analog multiplexer. It features a serial digital interface that allows several LTC1391s to be daisy-chained together, increasing the number of MUX channels available using a single digital port. The LTC1391CS#TR features a typical RON of 45W, a typical switch leakage of 50pA and guaranteed break-beforemake operation. The applications of the LTC1391CS#TR include Data Acquisition Systems, Communication Systems, Signal Multiplexing/Demultiplexing.
Parametrics
LTC1391CS#TR absolute maximum ratings: (1)Total Supply Voltage (V + to V-): 15V; (2)Input Voltage, Analog Inputs/Outputs: (V- -0.3V) to (V+ + 0.3V); Digital Inputs: -0.3V to 15V; Digital Outputs: -0.3V to (V + + 0.3V); (3)Power Dissipation: 500mW; (4)Operating Temperature Range, LTC1391C: 0℃ to 70℃; (5)Storage Temperature Range: -65℃ to 150℃; (6)Lead Temperature (Soldering, 10 sec): 300℃.
Features
LTC1391CS#TR features: (1)Low RON: 45Ω; (2)Single 2.7V to ±5V Supply Operation; (3)Low Charge Injection; (4)Serial Digital Interface; (5)Analog Inputs May Extend to Supply Rails; (6)Low Leakage: ±5nA Max; (7)Guaranteed Break-Before-Make; (8)TTL/CMOS Compatible for All Digital Inputs; (9)Cascadable to Allow Additional Channels; (10)Can Be Used as a Demultiplexer.
Diagrams

| Image | Part No | Mfg | Description | ![]() |
Pricing (USD) |
Quantity | ||||||
|---|---|---|---|---|---|---|---|---|---|---|---|---|
![]() |
![]() LTC1391CS#TR |
![]() |
![]() IC MULTIPLEXER 8X1 16SOIC |
![]() Data Sheet |
![]()
|
|
||||||
![]() |
![]() LTC1391CS#TRPBF |
![]() |
![]() IC MULTIPLEXER 8X1 16SOIC |
![]() Data Sheet |
![]()
|
|
||||||
(Hong Kong)









