Product Summary
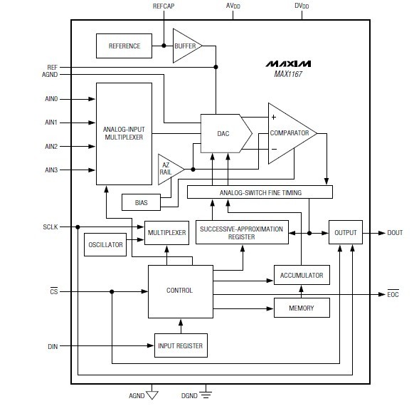
The MAX1168BEEG+T low-power, multichannel, 16-bit analog-to-digital converters (ADCs) feature a successive-approximation ADC, integrated +4.096V reference, a reference buffer, an internal oscillator, automatic power-down, and a high-speed SPI./QSPI./MICROWIRE.-compatible interface. The MAX1168BEEG+T operate with a single +5V analog supply and feature a separate digital supply, allowing direct interfacing with +2.7V to +5.5V digital logic. The MAX1168BEEG+T consume only 2.9mA (AVDD =DVDD =+5V) at 200ksps when using an external reference. AutoShutdown. reduces the supply current to 145μA at 10ksps and to less than 10μA at reduced sampling rates.
Parametrics
MAX1168BEEG+T absolute maximum ratings: (1)AVDD to AGND: -0.3V to +6V; (2)DVDD to DGND: -0.3V to +6V; (3)DGND to AGND: -0.3V to +0.3V; (4)AIN_, REF, REFCAP to AGND: -0.3V to (AVDD + 0.3V); (5)SCLK, CS, DSEL, DSPR, DIN to DGND: -0.3V to +6V; (6)DOUT, DSPX, EOC to DGND: -0.3V to (DVDD + 0.3V); (7)Maximum Current into Any Pin: 50mA; (8)Continuous Power Dissipation (TA = +70℃), 16-Pin QSOP (derate 8.3mW/℃ above +70℃): 667mW; 24-Pin QSOP (derate 9.5mW/℃ above +70℃): 762mW; (9)Operating Temperature Ranges, MAX116_ _ CE_ : 0℃ to +70℃; MAX116_ _ EE_: -40℃ to +85℃; (10)Maximum Junction Temperature: +150℃; (11)Storage Temperature Range: -65℃ to +150℃; (12)Lead Temperature (soldering, 10s): +300℃.
Features
MAX1168BEEG+T features: (1)16-Bit Resolution, ±1 LSB DNL (max); (2)+5V Single-Supply Operation; (3)Adjustable Logic Level (+2.7V to +5.25V); (4)Input Voltage Range: 0 to VREF; (5)Internal (+4.096V) or External (+3.8V to AVDD) Reference; (6)Internal Track/Hold, 4MHz Input Bandwidth; (7)Internal or External Clock; (8)SPI/QSPI/MICROWIRE-Compatible Serial Interface, MAX1168 Performs DSP-Initiated Conversions; (9)8-Bit-Wide or 16-Bit-Wide Data-Transfer Mode (MAX1168 Only); (10)4-Channel (MAX1167) or 8-Channel (MAX1168) Input Mux; (11)Low Power; (12)Small Package Size.
Diagrams

| Image | Part No | Mfg | Description |  | Pricing (USD) | Quantity | ||||||||||||
|---|---|---|---|---|---|---|---|---|---|---|---|---|---|---|---|---|---|---|
|  |  MAX1168BEEG+T |  Maxim Integrated Products |  ADC (A/D Converters) 16-Bit 8Ch 200ksps 5.25V Precision ADC |  Data Sheet |  
 |  | ||||||||||||
| Image | Part No | Mfg | Description |  | Pricing (USD) | Quantity | ||||||||||||
|  |  MAX10 |  Aavid Thermalloy |  Heat Sinks 39.85 N (8.96 lbs) |  Data Sheet |  Negotiable |  | ||||||||||||
|  |  MAX100 |  Other |  |  Data Sheet |  Negotiable |  | ||||||||||||
|  |  MAX1002 |  Other |  |  Data Sheet |  Negotiable |  | ||||||||||||
|  |  MAX1002CAX |  Maxim Integrated Products |  ADC (A/D Converters) |  Data Sheet |  Negotiable |  | ||||||||||||
|  |  MAX1002CAX+ |  Maxim Integrated Products |  ADC (A/D Converters) Low-Power 60Msps Dual 6-Bit |  Data Sheet |  
 |  | ||||||||||||
|  |  MAX1002CAX+T |  Maxim Integrated Products |  ADC (A/D Converters) Low-Power 60Msps Dual 6-Bit |  Data Sheet |  
 |  | ||||||||||||
 (Hong Kong)
 (Hong Kong) 
                         
                        
 
                                    




