Product Summary
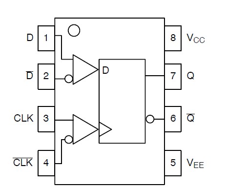
The MC100EL52DR2 is a differential data, differential clock D flip-flop with reset. The device is functionally equivalent to the E452 device with higher performance capabilities. With propagation delays and output transition times significantly faster than the MC100EL52DR2 the MC100EL52DR2 is ideally suited for those applications which require the ultimate in AC performance. Data enters the master portion of the flip-flop when the clock is LOW and is transferred to the slave, and thus the outputs, upon a positive transition of the clock. The differential clock inputs of the EL52 allow the MC100EL52DR2 to also be used as a negative edge triggered device. The EL52 employs input clamping circuitry so that under open input conditions (pulled down to VEE) the outputs of the device will remain stable.
Parametrics
MC100EL52DR2 absolute maximum ratings: (1)VCC PECL Mode Power Supply VEE = 0 V: 8 V; (2)VEE NECL Mode Power Supply VCC = 0 V: -8 V; (3)VI PECL Mode Input Voltage: 6V; (4)NECL Mode Input Voltage: -6V; (5)Iout Output Current Continuous: 100mA; (6)TA Operating Temperature Range: -40 to +85 °C; (7)Tstg Storage Temperature Range: −65 to +150 °C.
Features
MC100EL52DR2 features: (1)365 ps Propagation Delay; (2)2.0 GHz Toggle Frequency; (3)ESD Protection: > 1 kV Human Body Model, > 100 V Machine Model; (4)PECL Mode Operating Range: VCC = 4.2 V to 5.7 V with VEE = 0 V; (5)NECL Mode Operating Range: VCC = 0 V with VEE = -4.2 V to -5.7 V; (6)Internal Input Pulldown Resistors on D and CLK; (7)Meets or Exceeds JEDEC Spec EIA/JESD78 IC Latchup Test; (8)Moisture Sensitivity Level 1 For Additional Information, see Application Note AND8003/D; (9)Flammability Rating: UL 94 V-0 @ 0.125 in, Oxygen: Index 28 to 34; (10)Transistor Count = 48 devices; (11)Pb-Free Packages are Available.
Diagrams

| Image | Part No | Mfg | Description | ![]() |
Pricing (USD) |
Quantity | ||||||||||
|---|---|---|---|---|---|---|---|---|---|---|---|---|---|---|---|---|
![]() |
![]() MC100EL52DR2 |
![]() ON Semiconductor |
![]() Flip Flops 5V ECL Diff Data And |
![]() Data Sheet |
![]() Negotiable |
|
||||||||||
![]() |
![]() MC100EL52DR2G |
![]() ON Semiconductor |
![]() Flip Flops 5V ECL Diff Data And Clock D-Type |
![]() Data Sheet |
![]()
|
|
||||||||||
(Hong Kong)









