Product Summary
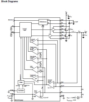
The MIC2182BM is a synchronous buck (step-down) switching regulator controller. An all N-channel synchronous architecture and powerful output drivers allow up to a 20A output current capabilty. The PWM and skip-mode control scheme allows efficiency to exceed 95% over a wide range of load current, making it ideal for battery powered applications, as well as high current distributed power supplies. The MIC2182BM operates 5.0V input and can operate with a maximum duty cycle of 86% for use in lowdropout conditions. It also features a shutdown mode that reduces quiescent current to 0.1μA. The MIC2182BM achieves high efficiency over a wide output current range by automatically switching between PWM and skip mode. Skip-mode operation enables the converter to maintain high efficiency at light loads by turning off circuitry pertaining to PWM operation, reducing the no-load supply current from 1.6mA to 600μA. The operating mode is internally selected according to the output load conditions. Skip mode can be defeated by pulling the PWM pin low which reduces noise and RF interference. The MIC2182BM is available in a 16-pin SOP (small-outline package) and SSOP (shrink small-outline package) with an operating range from –40℃ to +85℃.
Parametrics
MIC2182BM absolute maximum ratings: (1)Analog Supply Voltage (VIN): +34V; (2)Digital Supply Voltage (VDD): +7V; (3)Driver Supply Voltage (BST): VIN +7V; (4)Sense Voltage (VOUT, CSH): 7V to –0.3V; (5)Sync Pin Voltage (VSYNC): 7V to –0.3V; (6)Enable Pin Voltage (VEN/UVLO): VIN; (7)Power Dissipation (PD): 400mW @ TA= 85℃; (8)Ambient Storage Temperature (TS): –65℃ to +150℃.
Features
MIC2182BM features: (1)4.5V to 32V Input voltage range; (2)1.25V to 6V Output voltage range; (3)95% efficiency; (4)300kHz oscillator frequency; (5)Current sense blanking; (6)5Ω impedance MOSFET Drivers; (7)Drives N-channel MOSFETs; (8)600μA typical quiescent current (skip-mode); (9)Logic controlled micropower shutdown (IQ < 0.1μA); (10)Current-mode control; (11)Cycle-by-cycle current limiting; (12)Built-in undervoltage protection; (13)Adjustable undervoltage lockout; (14)Easily synchronizable; (15)Precision 1.245V reference output; (16)0.6% total regulation; (17)16-pin SOP package; (18)Frequency foldback overcurrent protection; (19)Sustained short-circuit protection at any input voltage; (20)20A output current capability.
Diagrams

| Image | Part No | Mfg | Description | ![]() |
Pricing (USD) |
Quantity | ||||
|---|---|---|---|---|---|---|---|---|---|---|
![]() |
![]() MIC2182BM |
![]() |
![]() IC REG CTRLR BUCK PWM CM 16-SOIC |
![]() Data Sheet |
![]() Negotiable |
|
||||
![]() |
![]() MIC2182BM TR |
![]() |
![]() IC REG CTRLR BUCK PWM CM 16-SOIC |
![]() Data Sheet |
![]() Negotiable |
|
||||
(Hong Kong)









