Product Summary
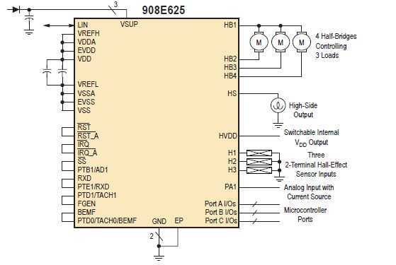
The MM908E625ACEK is an integrated quad half h-bridge. The HC08 includes Flash Memory, a timer, Enhanced Serial Communications Interface (ESCI), an Analog-to-Digital Converter (ADC), Serial Peripheral Interface (SPI) (only internal), and an Internal Clock Generator (ICG) module. The analog control die provides fully protected H-Bridge/high-side outputs, voltage regulator, autonomous watchdog with cyclic wake-up, and Local Interconnect Network (LIN) physical layer. The MM908E625ACEK single-package solution, together with LIN, provides optimal application performance adjustments and space-saving PCB design. The MM908E625ACEK is well suited for the control of automotive mirror, door lock, and light-levelling applications.
Parametrics
MM908E625ACEK absolute maximum ratings: (1)Supply Voltage Analog Chip Supply Voltage under Normal Operation (Steady-state)VSUP(SS): -0.3 to 28V; (2)Supply Voltage Analog Chip Supply Voltage under Transient Conditions(1)VSUP(PK): -0.3 to 40V; (3)Supply Voltage MCU Chip Supply Voltage VDD: -0.3 to 6.0V; (4)Maximum Microcontroller VSS Output Current IMVSS: 100 mA; (5)Maximum Microcontroller VDD Input Current IMVDD: 100 mA.
Features
MM908E625ACEK features: (1)High-Performance M68HC908EY16 Core; (2)16K Bytes of On-Chip Flash Memory & 512 Bytes of RAM; (3)Internal Clock Generation Module; (4)Two 16-bit, 2-Channel Timers; (5)10-Bit Analog-to-Digital Converter; (6)LIN Physical Layer; (7)Autonomous Watchdog with Cyclic Wakeup; (8)Three Two-Pin Hall-Effect Sensor Input Ports; (9)One Analog Input with Switchable Current Source; (10)Four Low RDS(ON)Half-Bridge Outputs; (11)One Low RDS(ON)High-Side Output; (12)13 Micro Controller I/Os; (13)Pb-free packaging designated by suffix code EK.
Diagrams

| Image | Part No | Mfg | Description | ![]() |
Pricing (USD) |
Quantity | ||||||||||||
|---|---|---|---|---|---|---|---|---|---|---|---|---|---|---|---|---|---|---|
![]() |
![]() MM908E625ACEK |
![]() Freescale Semiconductor |
![]() 8-bit Microcontrollers (MCU) Quad Half H-Bridge with P/S, HC08, LIN |
![]() Data Sheet |
![]() Negotiable |
|
||||||||||||
| Image | Part No | Mfg | Description | ![]() |
Pricing (USD) |
Quantity | ||||||||||||
![]() |
![]() MM908E621ACDWBR2 |
![]() Freescale Semiconductor |
![]() 8-bit Microcontrollers (MCU) QUAD HB / TRIPLE HS 841B |
![]() Data Sheet |
![]() Negotiable |
|
||||||||||||
![]() |
![]() MM908E621ACPEKR2 |
![]() Freescale Semiconductor |
![]() 8-bit Microcontrollers (MCU) QUAD HB AND TRIPLE HS |
![]() Data Sheet |
![]()
|
|
||||||||||||
![]() |
![]() MM908E622ACDWB |
![]() Freescale Semiconductor |
![]() Interface - Specialized QUAD H-B TRIHS EC GLASS |
![]() Data Sheet |
![]() Negotiable |
|
||||||||||||
![]() |
![]() MM908E626AVPEK |
![]() Freescale Semiconductor |
![]() 8-bit Microcontrollers (MCU) MCU + LIN + MOTOR DRIVER |
![]() Data Sheet |
![]()
|
|
||||||||||||
![]() |
![]() MM908E624ACPEWR2 |
![]() Freescale Semiconductor |
![]() 8-bit Microcontrollers (MCU) 3 HIGH SIDE DRIVER |
![]() Data Sheet |
![]()
|
|
||||||||||||
![]() |
![]() MM908E625ACEK |
![]() Freescale Semiconductor |
![]() 8-bit Microcontrollers (MCU) Quad Half H-Bridge with P/S, HC08, LIN |
![]() Data Sheet |
![]() Negotiable |
|
||||||||||||
(Hong Kong)










